SKFSALKB5F轴承详细参数

发布时间:2026-04-14
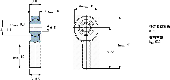
免维护杆端, 阳螺纹, 钢/PTFE复合材料
主要数据尺寸 角度倾的 基本负荷额定值 质量 型号
动态 静态 轴承座完全与密封件
d d2 B d3 C1 h ± C C0
6g
mm 度数 kN kg -
5198M 5633133,255,30,014SALKB 5 F

SKFSALKB5F免维护的杆端关节轴承供应商

八零动力专业销售SALKB5F免维护的杆端关节轴承,库存SKFSALKB5F大量现货,与SKF合作,咨询热线:022-58519723业务咨询
SKFSALKB5F它机械世界的心脏,默默支撑着无数设备的运转 它的精密装配,确保了整体性能的卓越 高精度的轴承,为设备的稳定运行提供了坚实保障不得不说,这款轴承的品质过硬,在行业内堪称典范,是您成功路上的得力助手,它在航空航天领域的应用,展现了它的高可靠性 ,八零动力SKF免维护的杆端关节轴承品种全,价格优,质量有保证!

用户关注最多的SKF轴承型号

SKF2203E-2RS1TN9/W64 SKF32248T284J2/HA1DB SKF53412U SKF7040AC/DF SKF7207BEY SKFCR15298 SKFCR4991 SKFM60x2 SKFNU2216ECM* SKFPCZ2832M SKFRN-1.5x9.8BF/G2 SKFRNU308ECP* SKFSIL60ES-2RS SKFSNW120x3.7/16 SKFWS89328

SALKB5F免维护的杆端关节轴承近似的SKF轴承型号

SKFSAKB8F SKFSA40TXE-2LS SKFSIKB10F SKFSI45TXE-2LS SKFSIKB12F SKFSILKB16F SKFSIA80TXE-2LS SKFSILA70TXE-2LS SKFSA10C SKFSILKB12F SKFSALKB22F SKFSALKB6F

用户关注最多的轴承狗热门型号

SKF  2x7207BEGBY LYC  6316 E/P6 TIMKEN  135RIN580 国产  3209ATM SKF  71917DB/P7 KOYO  2316K+H2316 NSK  32072 INA  GAR45-DO-2RS ZKL  32217 国产  RNU207 FAG  SD538-N-FZ-BF-L + 22238-K-MB RHP  NU2205 SNR  3212A-RS IKO  RNA4904UU IKO  NAS5080ZZ

版权所有©2009-2015 轴承狗zcgou.com ICP备案:津ICP备14004550号-13