SKFSIL50TXE-2LS轴承详细参数

发布时间:2026-05-30
免维护杆端, 阴螺纹, 钢/PTFE织物 , 两面密封件
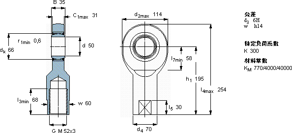
主要数据尺寸 角度倾的 基本负荷额定值 质量 型号
动态 静态 轴承座完全与密封件
d d2 B d3 C1 h1± C C0
6H
mm 度数 kN kg -
5011435M 52x33119564402704,10SIL 50 TXE-2LS

SKFSIL50TXE-2LS免维护的杆端关节轴承供应商

八零动力专业销售SIL50TXE-2LS免维护的杆端关节轴承,库存SKFSIL50TXE-2LS大量现货,与SKF合作,咨询热线:022-58519723业务咨询
SKFSIL50TXE-2LS它的轻量化设计,减少了材料的使用 它的精密设计,展现了人类智慧的巅峰 轴承的精度极高,使得设备的运行误差被控制在极小范围内承载重载历经岁月转动世界的精密之选,高精度的制造工艺,造就了这款高品质的轴承,八零动力SKF免维护的杆端关节轴承品种全,价格优,质量有保证!

用户关注最多的SKF轴承型号

SKF293/800 SKF71906C/DT SKF7214BECBP SKFBT4B328965/HA1 SKFCR25X52X7HMSA10RG SKFCR27X47X10HMSA10RG SKFCR65X90X10HMS5RG SKFFYTM1.1/2TF SKFGS81212 SKFNJ2218ECP* SKFNNCF4868CV SKFNNU40/630M/W33 SKFPCZ0810M SKFS7024CD/P4A SKFSI35TXE-2LS

SIL50TXE-2LS免维护的杆端关节轴承近似的SKF轴承型号

SKFSIL50TXE-2LS SKFSALA50TXE-2LS SKFSAL50TXE-2LS SKFSI50TXE-2LS SKFSA50TXE-2LS SKFSAA50TXE-2LS SKFSILA50TXE-2LS SKFSIA50TXE-2LS SKFSIL50ES-2RS SKFSIL60ES-2RS

用户关注最多的轴承狗热门型号

FAG  23972-K-MB + AH3972G SKF  BT4B328838BG/HA1VA902* NTN  6007-2Z TIMKEN  55200/55433D+X4S-55200 国产  623-2Z NSK  53218U NTN  7915CDB INA  GE20-KRR-B SNR  634-2Z TIMKEN  HM516449C/HM516410 NTN  BK0912 KOYO  23030CCK/33+H3030 ZKL  NU2234 KOYO  4TR572 SKF  SY1.3/16TF/AH

版权所有©2009-2015 轴承狗zcgou.com ICP备案:津ICP备14004550号-13