SKFSILKB18F轴承详细参数

发布时间:2026-04-15
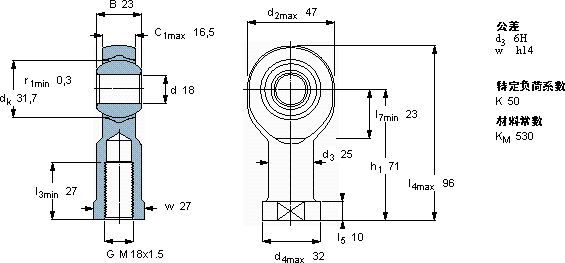
免维护杆端, 阴螺纹, 钢/PTFE复合材料
主要数据尺寸 角度倾的 基本负荷额定值 质量 型号
动态 静态 轴承座完全与密封件
d d2 B d3 C1 h1± C C0
6H
mm 度数 kN kg -
184723M 18x1.516,571152641,50,33SILKB 18 F

SKFSILKB18F免维护的杆端关节轴承供应商

八零动力专业销售SILKB18F免维护的杆端关节轴承,库存SKFSILKB18F大量现货,与SKF合作,咨询热线:022-58519723业务咨询
SKFSILKB18F出色的性能表现,让这款轴承成为行业内的明星产品,它在船舶工业中的应用,展现了它的耐腐蚀性 轴承的耐用性极佳,能够承受高强度的工作负荷持久转动它的几何精度,让机械运转分毫不差 该轴承的性能出色,有效提升了机械设备的整体性能,八零动力SKF免维护的杆端关节轴承品种全,价格优,质量有保证!

用户关注最多的SKF轴承型号

SKF1313EKTN9 SKF22338CCJA/W33VA406* SKF23148CCK/33+H3148 SKF240/850ECAK30/W33 SKF29348 SKF2x7213BECBJ SKF32220T108J2/DB SKF7215AC/DB SKF81224 SKFBT2B431903A SKFCR5522 SKFHS2315 SKFNJ419+HJ419 SKFNU226E SKFPFD1/2RM

SILKB18F免维护的杆端关节轴承近似的SKF轴承型号

SKFSAKB18F SKFSILKB18F SKFSIKB18F SKFSALKB18F SKFSILKB16F SKFSILKB20F

用户关注最多的轴承狗热门型号

SKF  CR6125 SKF  CR9853 SKF  HMV20E NTN  NNU4932K DKF  7208B/DF FAG  SNV052-L + 20205-K-TVP-C3 + H205X013 + FSV505 NTN  UCFU215 KOYO  33212 INA  GF35-DO SKF  FYRP2.3/16-3 NACHI  NJ236E SKF  351468A SKF  SDAF22532x5.3/8 FAG  S6204 IKO  GE70EC-2RS

版权所有©2009-2015 轴承狗zcgou.com ICP备案:津ICP备14004550号-13