SKFSIL12C轴承详细参数

发布时间:2026-05-29
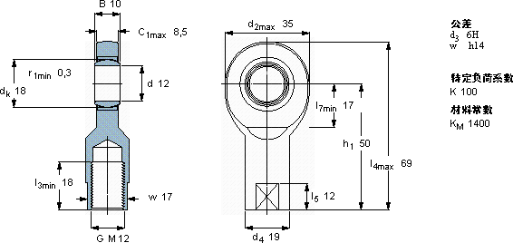
免维护杆端, 阴螺纹, 钢/烧结铜复合材料
主要数据尺寸 角度倾的 基本负荷额定值 质量 型号
动态 静态 轴承座完全与密封件
d d2 B d3 C1 h1± C C0
6H
mm 度数 kN kg -
123510M 128,5501011,425,50,11SIL 12 C

SKFSIL12C免维护的杆端关节轴承供应商

八零动力专业销售SIL12C免维护的杆端关节轴承,库存SKFSIL12C大量现货,与SKF合作,咨询热线:022-58519723业务咨询
SKFSIL12C精湛的制造工艺赋予了这款轴承卓越的性能和品质 优秀的设计让这款轴承在运行时更加高效节能它的品质卓越,为机械设备的高效、稳定运行保驾护航要设备更出色这轴承的精度控制令人佩服,为设备的精准运行提供了保障引领行业速度,我们的轴承始终稳如磐石,八零动力SKF免维护的杆端关节轴承品种全,价格优,质量有保证!

用户关注最多的SKF轴承型号

SKF1301ETN9 SKF22205CCK/W33 SKF24096ECA/W33* SKF544091/2B/544118A/2B SKF7024BGM SKF7319B SKF7320B/DT SKFCR24X37X7HMSA10RG SKFFYTL35TR/VE495 SKFK50x55x30 SKFN1011KPHA/HC5SP SKFN530 SKFNJ2326ECMA* SKFPF15/16TF SKFYET204-012

SIL12C免维护的杆端关节轴承近似的SKF轴承型号

SKFSA12C SKFSALKB12F SKFSAL12C SKFSIKB12F/VZ019 SKFSAKB12F SKFSIKB12F SKFSIL12C SKFSILKB12F SKFSI12C SKFSIL10E SKFSIL12E

用户关注最多的轴承狗热门型号

TIMKEN  TTU-65-12 国产  NK45/30 TIMKEN  36686 /36620-B FAG  S3084-H-N-FZ-AL-L + 230SM400-MA KOYO  24136CC/W33 STEYR  NJ208 SKF  NU1968ECMA LYC  33018/53-2 INA  RWS1808-150/x150/x134 NACHI  6901ZE NTN  6201-Z FAG  F512-A-L + 1212-K-TVH-C3 STEYR  NU214E SKF  71940AC IKO  BAM2610

版权所有©2009-2015 轴承狗zcgou.com ICP备案:津ICP备14004550号-13