SKFSIA45TXE-2LS轴承详细参数

发布时间:2026-04-15
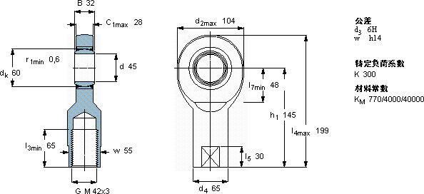
免维护杆端, 阴螺纹, 钢/PTFE织物 , 两面密封件
主要数据尺寸 角度倾的 基本负荷额定值 质量 型号
动态 静态 轴承座完全与密封件
d d2 B d3 C1 h1± C C0
6H
mm 度数 kN kg -
4510432M 42x32814573602243,20SIA 45 TXE-2LS

SKFSIA45TXE-2LS免维护的杆端关节轴承供应商

八零动力专业销售SIA45TXE-2LS免维护的杆端关节轴承,库存SKFSIA45TXE-2LS大量现货,与SKF合作,咨询热线:022-58519723业务咨询
SKFSIA45TXE-2LS高精度的轴承,为设备的稳定运行提供了坚实保障高精度低摩擦质量上乘的轴承,是提升机械设备性能的关键因素它的润滑技术,减少了润滑剂的使用 它在轨道交通中的应用,确保了列车的安全运行 制造工艺先进,使得这款轴承的性能远超普通产品,八零动力SKF免维护的杆端关节轴承品种全,价格优,质量有保证!

用户关注最多的SKF轴承型号

SKF22256CAC/W33 SKF294/850EF SKF31318J2 SKF33217/Q SKF6311-ZNR* SKF71917C/DB SKF71805CD/HCP4A SKFCR67533 SKFHMVC72E SKFOKC460 SKFRNAO7x14x8TN SKFS71912CD/P4A SKFSC71916DB/P7 SKFSNL3168F SKFYET211-203

SIA45TXE-2LS免维护的杆端关节轴承近似的SKF轴承型号

SKFSAL45TXE-2LS SKFSILA45TXE-2LS SKFSI45TXE-2LS SKFSIA45TXE-2LS SKFSA45TXE-2LS SKFSIL45TXE-2LS SKFSALA45TXE-2LS SKFSAA45TXE-2LS SKFSIA45ES-2RS SKFSIA50ES-2RS

用户关注最多的轴承狗热门型号

NSK  NN3052K KOYO  7209AC/DF FAG  BND2280-H-W-T-AF-S SKF  CR1200258 INA  PCJY60-N NTN  7217B LYC  NUP 314 ENM/C3YA4 INA  PAP1208-P14 国产  51136 LYC  6218 E/C3 INA  HK1812 KOYO  6028-RZ SKF  NNU4924B/SPW33 FAG  SNV170-L + 22316-E1-K + H2316X214 + DHV616X214 国产  628/2.5

版权所有©2009-2015 轴承狗zcgou.com ICP备案:津ICP备14004550号-13