SKFSALKB22F轴承详细参数

发布时间:2026-05-30
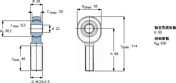
免维护杆端, 阳螺纹, 钢/PTFE复合材料
主要数据尺寸 角度倾的 基本负荷额定值 质量 型号
动态 静态 轴承座完全与密封件
d d2 B d3 C1 h ± C C0
6g
mm 度数 kN kg -
225528M 22x1.52084153858,50,46SALKB 22 F

SKFSALKB22F免维护的杆端关节轴承供应商

八零动力专业销售SALKB22F免维护的杆端关节轴承,库存SKFSALKB22F大量现货,与SKF合作,咨询热线:022-58519723业务咨询
SKFSALKB22F它的质量过硬,为机械设备的高效、安全、稳定运行 运转起来如此顺滑,这款轴承的制造工艺着实令人赞叹制造工艺精湛,使得这款轴承在运转时更加顺畅平稳它的抗剪切性能,确保了它的结构稳定性 先进的制造工艺,让这款轴承的性能更加稳定可靠转动不停歇,八零动力SKF免维护的杆端关节轴承品种全,价格优,质量有保证!

用户关注最多的SKF轴承型号

SKF2203ETN9 SKF24168ECCJ/W33 SKF30228J2/DFC100 SKF5305A* SKF71808ACD/HCP4 SKF7407BM SKFCR38740 SKFHA3124 SKFN311ECP SKFNK18/16 SKFNN3009TN/SP SKFSAF22638x6.13/16 SKFSAFC3040KAx7.1/8 SKFSC71919FB/P7 SKFW14

SALKB22F免维护的杆端关节轴承近似的SKF轴承型号

SKFSALKB22F SKFSAKB22F SKFSILKB22F SKFSIKB22F SKFSALKB20F SKFSALKB5F

用户关注最多的轴承狗热门型号

FAG  BND3172-Z-Y-BF-S GMN  7020C/DT FAG  QJ218-N2-MPA NTN  61822 LYC  NUP 19/710/C9 FAG  F509-WA-L + 22209-E1-K SKF  RNU203TN9 ASAHI  UCFU315 INA  SD45X52X4 FAG  222SM180-MA SKF  30352J2 SKF  NK37/20 TIMKEN  HML88 NSK  HR32226J SKF  7220AC/DF

版权所有©2009-2015 轴承狗zcgou.com ICP备案:津ICP备14004550号-13