SKFSAKB22F轴承详细参数

发布时间:2026-04-14
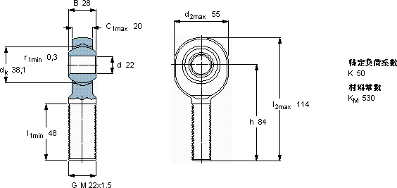
免维护杆端, 阳螺纹, 钢/PTFE复合材料
主要数据尺寸 角度倾的 基本负荷额定值 质量 型号
动态 静态 轴承座完全与密封件
d d2 B d3 C1 h ± C C0
6g
mm 度数 kN kg -
225528M 22x1.52084153858,50,46SAKB 22 F

SKFSAKB22F免维护的杆端关节轴承供应商

八零动力专业销售SAKB22F免维护的杆端关节轴承,库存SKFSAKB22F大量现货,与SKF合作,咨询热线:022-58519723业务咨询
SKFSAKB22F它的质量过硬,为机械设备的高效、安全、稳定运行 它的表面硬化处理,延长了它的使用寿命 以卓越品质性能卓越的它,为机械设备的稳定运行提供了可靠保障它的精密性,让它在高精度设备中无可替代 它在医疗设备中的应用,确保了设备的稳定性 ,八零动力SKF免维护的杆端关节轴承品种全,价格优,质量有保证!

用户关注最多的SKF轴承型号

SKF24068CCK30/W33+AOH24068* SKF2x7309BECBY SKF313685A SKF54317 SKFCR1450249 SKFCR33711 SKFCR35X55X8HMSA10RG SKFCR38x73x8CRW1R SKFCR85191 SKFFSAF22616 SKFKD10-905 SKFNN48/750K30/HB1W33 SKFOKC500 SKFOKC600 SKFSIKAC16M/VZ019

SAKB22F免维护的杆端关节轴承近似的SKF轴承型号

SKFSALKB22F SKFSAKB22F SKFSIKB22F SKFSILKB22F SKFSAKB20F SKFSAKB5F

用户关注最多的轴承狗热门型号

国产  NN3044K/W33 GMN  71913C/DF KOYO  NN3034 LYC  23156 CAK/W33 KOYO  NU306R SKF  NKI85/36 FAG  231/530-K-MB + H31/530 INA  TTUE25 SKF  SIKAC25M LYC  23048/C3W33 TIMKEN  3782/3729D LYC  30613 B/内组件 FLT  NJ228 MRC  3322 NSK  HR33014J

版权所有©2009-2015 轴承狗zcgou.com ICP备案:津ICP备14004550号-13