SKFSIL15C轴承详细参数

发布时间:2026-04-14
免维护杆端, 阴螺纹, 钢/烧结铜复合材料
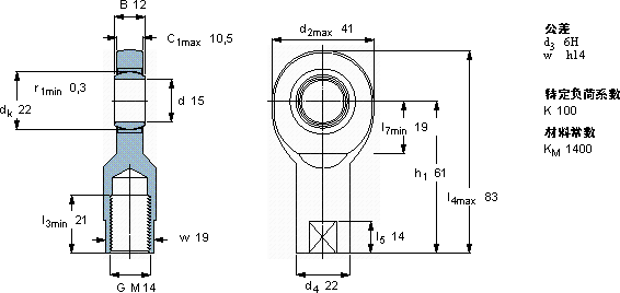
主要数据尺寸 角度倾的 基本负荷额定值 质量 型号
动态 静态 轴承座完全与密封件
d d2 B d3 C1 h1± C C0
6H
mm 度数 kN kg -
154112M 1410,56181837,50,18SIL 15 C

SKFSIL15C免维护的杆端关节轴承供应商

八零动力专业销售SIL15C免维护的杆端关节轴承,库存SKFSIL15C大量现货,与SKF合作,咨询热线:022-58519723业务咨询
SKFSIL15C它的精密设计,展现了人类智慧的巅峰 它在医疗设备中的应用,确保了设备的稳定性 每一次转动都是精准与力量的完美呈现,它的润滑技术,让摩擦降至最低 它的抗冲击能力,让它经久不衰 先进的生产工艺,让这款轴承的性能得到了极大提升,八零动力SKF免维护的杆端关节轴承品种全,价格优,质量有保证!

用户关注最多的SKF轴承型号

SKF23026CC/W33 SKF23240CC/W33* SKF6001-RZ SKF7201BEP SKF7210BECBM SKF7213AC/DB SKF7217AC/DF SKFC4192K30M* SKFCR1650259 SKFCR31870 SKFCR33X50X6HMSA10RG SKFCR80X110X10HMS5V SKFHS306 SKFNJ414 SKFNUP315ECP

SIL15C免维护的杆端关节轴承近似的SKF轴承型号

SKFSI15C SKFSIL15C SKFSA15C SKFSAL15C SKFSIL12E SKFSIL15ES

用户关注最多的轴承狗热门型号

FAG  SNV085-L + 22209-E1-K + H309X108 + TSV509X108 NACHI  6024N SKF  CR56X78X10HMS1R FAG  SNV215-L + 21320-E1-K-TVPB + H320X311 + TSV620X311 STEYR  7205B/DB KOYO  24180RK30+AH24180 KOYO  22260RK+H3160 RIV  NF207 SKF  CR20X36X7HMSA10RG SKF  CR17726 INA  PAF25165-P14 SKF  CR15142 TIMKEN  G1105KRRB MRC  7203AC IKO  LWLFG30...B

版权所有©2009-2015 轴承狗zcgou.com ICP备案:津ICP备14004550号-13