SKFSALKB18F轴承详细参数

发布时间:2026-04-19
免维护杆端, 阳螺纹, 钢/PTFE复合材料
主要数据尺寸 角度倾的 基本负荷额定值 质量 型号
动态 静态 轴承座完全与密封件
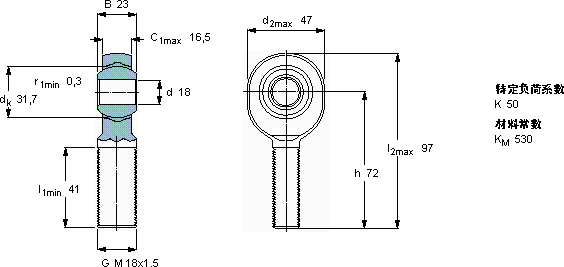
d d2 B d3 C1 h ± C C0
6g
mm 度数 kN kg -
184723M 18x1.516,572152641,50,29SALKB 18 F

SKFSALKB18F免维护的杆端关节轴承供应商

八零动力专业销售SALKB18F免维护的杆端关节轴承,库存SKFSALKB18F大量现货,与SKF合作,咨询热线:022-58519723业务咨询
SKFSALKB18F它在电子设备中的应用,展现了它的高精密性 它的抗压强度,让它承载能力惊人 质量无可挑剔的轴承,为设备的高效运作提供了有力支持优秀的轴承,就像精密仪器的心脏,确保着整个系统的高效运转成就非凡转动体验让您的设备一顺到底,它在农业机械中的应用,展现了它的耐用性 ,八零动力SKF免维护的杆端关节轴承品种全,价格优,质量有保证!

用户关注最多的SKF轴承型号

SKF230/600CA/W33* SKF316352CA SKF33024X/DF SKF619/8-2Z SKF6308-RS1* SKF812/630 SKFC4134V* SKFCR14808 SKFGEC670TXA-2RS SKFGEH35ES-2LS SKFNNCL4960CV SKFNJ2314ECP SKFPFD7/8WF SKFRNAO40x50x17 SKFSYR2NH-118

SALKB18F免维护的杆端关节轴承近似的SKF轴承型号

SKFSILKB18F SKFSALKB18F SKFSAKB18F SKFSIKB18F SKFSALKB16F SKFSALKB20F

用户关注最多的轴承狗热门型号

KOYO  22228RHRK+AHX3128 NSK  85BER29HV1V ZKL  N318 NTN  23220CCK/W33 INA  NRB2X19,8-G2 SKF  NATV40PPA MRC  7311C/DF FAG  HC7024-C-T-P4S LYC  010.75.3150.03K LYC  6307 E-2RZ/Z1 NTN  32208 SKF  NU2224ECNML* SKF  7213ACD/P4A IKO  BAM2020 IKO  POSB8

版权所有©2009-2015 轴承狗zcgou.com ICP备案:津ICP备14004550号-13