SKFSALKB6F轴承详细参数

发布时间:2026-04-14
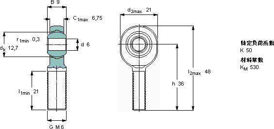
免维护杆端, 阳螺纹, 钢/PTFE复合材料
主要数据尺寸 角度倾的 基本负荷额定值 质量 型号
动态 静态 轴承座完全与密封件
d d2 B d3 C1 h ± C C0
6g
mm 度数 kN kg -
6219M 66,7536134,256,80,021SALKB 6 F

SKFSALKB6F免维护的杆端关节轴承供应商

八零动力专业销售SALKB6F免维护的杆端关节轴承,库存SKFSALKB6F大量现货,与SKF合作,咨询热线:022-58519723业务咨询
SKFSALKB6F它的可靠性,赢得了无数用户的信赖 它在印刷机械中的应用,展现了它的高精度 为您的机械注入强大动力,稳定的传奇它的滚动体分布均匀,运转平稳无振动 它的材质选择,体现了对耐用性的极致追求 ,八零动力SKF免维护的杆端关节轴承品种全,价格优,质量有保证!

用户关注最多的SKF轴承型号

SKF3208A* SKF331440 SKF5210E-2RS1 SKF5312E-2Z SKF629-RZ SKFCR10047 SKFCR1094110 SKFCR120X140X12HMSA10RG SKFCR25004 SKFCR34X72X12CRSH11R SKFNUB217ECJ SKFNU311ECP SKFQJ228N2MA SKFSNL3152TURT SKFVJ-PDNB222

SALKB6F免维护的杆端关节轴承近似的SKF轴承型号

SKFSALKB10F SKFSI45TXE-2LS SKFSALA70TXE-2LS SKFSAKB12F SKFSAL6C SKFSIKB8F SKFSA45TXE-2LS SKFSIKB10F/VZ019 SKFSA17C SKFSI70TXE-2LS SKFSALKB5F SKFSALKB8F

用户关注最多的轴承狗热门型号

FAG  SNV062-L + 1206-K-TVH-C3 + H206X100 + DHV506 SKF  L555249/210 INA  NUKR40 SKF  NNCF4926CV FAG  B7002-C-2RSD-T-P4S FAG  20232-K-MB-C3 + H3032 SKF  22313EK/VA405* TIMKEN  67390/67325D NACHI  7202BDT KOYO  6209N LYC  30616 SKF  CR25074 国产  NF304ETN1 NSK  7015A5TYNDBLP4 NTN  NU10/500

版权所有©2009-2015 轴承狗zcgou.com ICP备案:津ICP备14004550号-13