SKFSILA80ES-2RS轴承详细参数

发布时间:2026-05-30
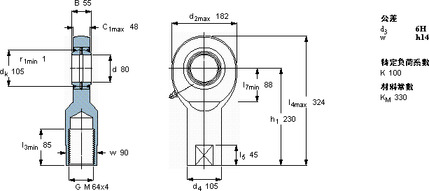
需要维护的杆端, 钢对钢,阴螺纹, 两面密封件
主要数据尺寸 角度倾的 基本负荷额定值 质量 型号
动态 静态 杆端带右或左旋螺纹
d d2 B d3 C1 h1± C C0
6H
mm 度数 kN kg -
8018255M 64x448230540065515,0SILA 80 ES-2RS

SKFSILA80ES-2RS需维护的杆端关节轴承供应商

八零动力专业销售SILA80ES-2RS需维护的杆端关节轴承,库存SKFSILA80ES-2RS大量现货,与SKF合作,咨询热线:022-58519723业务咨询
SKFSILA80ES-2RS高精度的轴承,为设备的稳定运行提供了坚实保障这轴承的选材讲究,坚固耐用,寿命远超同类产品运转起来如此顺滑,这款轴承的制造工艺着实令人赞叹它的轴向游隙控制,精准到令人惊叹 它在包装机械中的应用,确保了设备的高效率 高品质的轴承,在各种复杂工况下都能展现出卓越的性能表现,八零动力SKF需维护的杆端关节轴承品种全,价格优,质量有保证!

用户关注最多的SKF轴承型号

SKF24015CCK30/W33* SKF314070/VJ202 SKF33115/Q SKF52205 SKF71818CD/HCP4A SKF7215BECBY SKF7322BECCM SKFCR24898 SKFCR43X62X10CRSH1R SKFCR87421 SKFFY2.3/16TF/AH SKFGEH25ES-2RS SKFK20x28x20 SKFLR30x35x20.5 SKFNU422

SILA80ES-2RS需维护的杆端关节轴承近似的SKF轴承型号

SKFSIJ80ES SKFSILA80ES-2RS SKFSALA80ES-2RS SKFSAL80ES-2RS SKFSA80ES-2RS SKFSCF80ES SKFSAA80ES-2RS SKFSIQG80ES SKFSI80ES-2RS SKFSIL80ES-2RS SKFSILA70TXE-2LS SKFSILA80TXE-2LS

用户关注最多的轴承狗热门型号

LYC  22224 X1C KOYO  1221 TIMKEN  16FS30 SKF  HE311B INA  RWS1808-175/x175/x80 INA  GE45-HO-2RS NTN  7006AC SNR  6309 SKF  CR41125 SKF  NU430 NACHI  NUP314E FAG  F513-A-L + 20213-K-TVP-C3 MRC  7206B KOYO  23192RHAK+H3192 SKF  SYH15/16TF/AH

版权所有©2009-2015 轴承狗zcgou.com ICP备案:津ICP备14004550号-13