SKFSIR80ES轴承详细参数

发布时间:2026-05-30
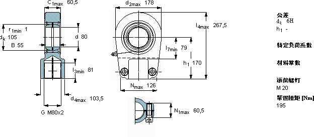
需要维护的杆端, 钢对钢,阴螺纹,用于液压滚筒
主要数据尺寸 角度倾的 基本负荷额定值 质量 型号
动态 静态 杆端带右旋螺纹
d d2 B d3 C1 h1± C C0
6H
mm 度数 kN kg -
8017855M80x260,5170640056013,2SIR 80 ES

SKFSIR80ES需维护的杆端关节轴承供应商

八零动力专业销售SIR80ES需维护的杆端关节轴承,库存SKFSIR80ES大量现货,与SKF合作,咨询热线:022-58519723业务咨询
SKFSIR80ES匠心制造让您的机械如虎添翼,它的质量可靠,是众多机械设备制造商的首选配件卓越的性能和可靠的质量,让这款轴承成为市场的宠儿承载未来为您创造更多可能,,八零动力SKF需维护的杆端关节轴承品种全,价格优,质量有保证!

用户关注最多的SKF轴承型号

SKF2x7317BEGAF SKF31330T179XJ2/DB SKF315523 SKF51416 SKF891/600M SKFBC2-8011/HB1 SKFCR15707 SKFCR22X35X7HMSA10RG SKFCR7627 SKFN088 SKFNJ215E+HJ215E SKFNNU4130K30M/W33 SKFSC7018FB/P7 SKFSIKB12F/VZ019 SKFWS81218

SIR80ES需维护的杆端关节轴承近似的SKF轴承型号

SKFSA80ES-2RS SKFSIR80ES SKFSIA80ES-2RS SKFSAA80ES-2RS SKFSC80ES SKFSCF80ES SKFSIQG80ES SKFSI80ES-2RS SKFSIL80ES-2RS SKFSIJ80ES SKFSIR70ES SKFSNL205

用户关注最多的轴承狗热门型号

SKF  KMK10 BARDEN  71900C INA  WS81236 LYC  6302 E-2RS/C3Z1LHT SKF  BFSD353231/HA4 SKF  2x7203BECBP* NTN  NUP236E FAG  SNV080-L + 21307-E1-K-TVPB + H307X103 + DH607 SKF  NU30/670MA/342771 NSK  7236ADT NSK  6000VV NSK  7032A5 FAG  BND2252-Z-Y-AL-S NTN  23224BK+AHX3224 FAG  BND2260-H-C-Y-AF-S

版权所有©2009-2015 轴承狗zcgou.com ICP备案:津ICP备14004550号-13