SKFSAA80ES-2RS轴承详细参数

发布时间:2026-05-30
需要维护的杆端, 钢对钢,阳螺纹, 两面密封件
主要数据尺寸 角度倾的 基本负荷额定值 质量 型号
动态 静态 杆端带右或左旋螺纹
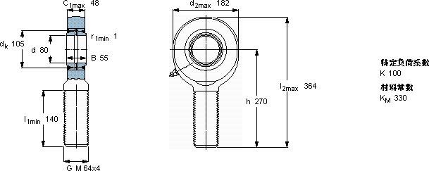
d d2 B d3 C1 h ± C C0
6g
mm 度数 kN kg -
8018255M 64x448270540058512,0SAA 80 ES-2RS

SKFSAA80ES-2RS需维护的杆端关节轴承供应商

八零动力专业销售SAA80ES-2RS需维护的杆端关节轴承,库存SKFSAA80ES-2RS大量现货,与SKF合作,咨询热线:022-58519723业务咨询
SKFSAA80ES-2RS它的抗剪切性能,确保了它的结构稳定性 它的抗冲击性能,让它经得起各种考验 它的抗冲击能力,让它经久不衰 它的耐磨性能,让它在恶劣环境下依然稳定运行 它的抗变形能力,让它在高负载下依然保持形状 它的高效率,让机械运转更加节能 ,八零动力SKF需维护的杆端关节轴承品种全,价格优,质量有保证!

用户关注最多的SKF轴承型号

SKF2306E-2RS1TN9 SKF28678/28622B/Q SKF51092F SKF71918CD/HCP4A SKF7219CD/P4A SKFC2320K+H2320* SKFCR1025244 SKFCR14X24X7HMS5V SKFCR25x62x7CRW1R SKFCR6370 SKFKD10-705 SKFNJ411+HJ411 SKFNKI5/12 SKFRNAO40x55x20 SKFWS81226

SAA80ES-2RS需维护的杆端关节轴承近似的SKF轴承型号

SKFSILA80ES-2RS SKFSA80ES-2RS SKFSIL80ES-2RS SKFSAA80ES-2RS SKFSCF80ES SKFSIJ80ES SKFSC80ES SKFSIR80ES SKFSIA80ES-2RS SKFSIQG80ES SKFSAA70TXE-2LS SKFSAA80TXE-2LS

用户关注最多的轴承狗热门型号

TORRINGTON&FAFNIR  6000-2RS KOYO  24048CC/W33 DKF  7200B/DB LYC  6202 E-2RZ/P6 NTN  6007-RS FAG  SNV052-L + 20205-K-TVP-C3 + H205 + FSV505 SKF  2303 SKF  C31/800KMB+OH31/800HE* SKF  HK3016 NSK  6303ZZ SKF  1317K RIV  NJ2318 LYC  6201 E-RZ/Z1 IKO  TRU608945UU IKO  CRH24VBR

版权所有©2009-2015 轴承狗zcgou.com ICP备案:津ICP备14004550号-13