SKFSIJ80ES轴承详细参数

发布时间:2026-04-15
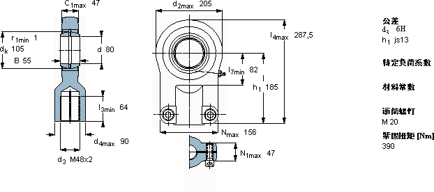
需要维护的杆端, 钢对钢,阴螺纹,用于液压滚筒
主要数据尺寸 角度倾的 基本负荷额定值 质量 型号
动态 静态 杆端带右旋螺纹
d d2 B d3 C1 h1± C C0
6H
mm 度数 kN kg -
8020555M48x247185340058515,6SIJ 80 ES

SKFSIJ80ES需维护的杆端关节轴承供应商

八零动力专业销售SIJ80ES需维护的杆端关节轴承,库存SKFSIJ80ES大量现货,与SKF合作,咨询热线:022-58519723业务咨询
SKFSIJ80ES是您成功路上的得力助手,设计合理、性能优良的它,是机械设备实现高效运行的重要保障它的故障率极低,确保了设备的稳定运行 它的轻量化设计,减少了材料的使用 从制造工艺到实际性能,这款轴承都表现得十分出色,它的疲劳强度,确保了长期使用的可靠性 ,八零动力SKF需维护的杆端关节轴承品种全,价格优,质量有保证!

用户关注最多的SKF轴承型号

SKF22220CCK/W33 SKF22226EK+AHX3126* SKF2x7310BECBM* SKF6309-2ZNR* SKF7208BEM SKFBTW70CTN9/SP SKFCR6139 SKFCR86688 SKFCR960x1040x23HDS1R1 SKFCR99435 SKFFY20TR SKFH2324L SKFNNCL4928CV SKFPCMF182012E SKFSAW23226

SIJ80ES需维护的杆端关节轴承近似的SKF轴承型号

SKFSIQG80ES SKFSC80ES SKFSCF80ES SKFSALA80ES-2RS SKFSAA80ES-2RS SKFSA80ES-2RS SKFSAL80ES-2RS SKFSIR80ES SKFSI80ES-2RS SKFSIL80ES-2RS SKFSIJ60ES SKFSIKAC10M

用户关注最多的轴承狗热门型号

LYC  23132 K SKF  CR525633 SKF  CR400754 国产  234709BM RHP  6217-Z FAG  KUG73,025 NACHI  NJ2311 LYC  352226 X2-2RZ FX 国产  LBE16-OPA LYC  NUP 417 Q1/C9S0 LYC  6009 C3 NACHI  H715334/H715310 NACHI  6219NR SKF  HE2316 IKO  CF18B

版权所有©2009-2015 轴承狗zcgou.com ICP备案:津ICP备14004550号-13