SKFSI80ES-2RS轴承详细参数

发布时间:2026-04-15
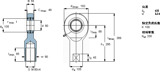
需要维护的杆端, 钢对钢,阴螺纹, 两面密封件
主要数据尺寸 角度倾的 基本负荷额定值 质量 型号
动态 静态 杆端带右或左旋螺纹
d d2 B d3 C1 h1± C C0
6H
mm 度数 kN kg -
8018255M 80x448295540065515,0SI 80 ES-2RS

SKFSI80ES-2RS需维护的杆端关节轴承供应商

八零动力专业销售SI80ES-2RS需维护的杆端关节轴承,库存SKFSI80ES-2RS大量现货,与SKF合作,咨询热线:022-58519723业务咨询
SKFSI80ES-2RS精湛的制造工艺赋予了这款轴承卓越的性能和品质 设计合理、性能优良的轴承,是机械设备的理想之选它在船舶工业中的应用,展现了它的耐腐蚀性 优秀的设计让这款轴承在运行时更加高效节能它的耐高温性能,减少了冷却系统的能耗 其质量上乘,是众多机械设备不可或缺的优质配件,八零动力SKF需维护的杆端关节轴承品种全,价格优,质量有保证!

用户关注最多的SKF轴承型号

SKF6036M SKF7208BEM SKFC4914K30V* SKFCR15660 SKFCR21136 SKFCR38.5X58X7HMS5V SKFCR84641 SKFCR90X120X12HMS5RG SKFFBSA210/QBC SKFH2314 SKFHMV72E SKFN213ECP* SKFPWM283440 SKFRNA22/6.2RS SKFS71913FB/P7

SI80ES-2RS需维护的杆端关节轴承近似的SKF轴承型号

SKFSIA80ES-2RS SKFSALA80ES-2RS SKFSIR80ES SKFSAA80ES-2RS SKFSAL80ES-2RS SKFSI80ES-2RS SKFSIQG80ES SKFSIJ80ES SKFSCF80ES SKFSIL80ES-2RS SKFSI70TXE-2LS SKFSI80TXE-2LS

用户关注最多的轴承狗热门型号

RHP  6219-2RS ZKL  NU406 NSK  52232X SKF  CR18582 LYC  22338/02 KOYO  M349549/10 INA  CSXF120 INA  NATR25 SKF  24044CCK30/W33 NSK  629VV FAG  HSS7013-C-T-P4S 国产  6318-Z/Z2 TIMKEN  3199/3120 TORRINGTON  HK0709 IKO  LRT424730

版权所有©2009-2015 轴承狗zcgou.com ICP备案:津ICP备14004550号-13