SKFSALA80ES-2RS轴承详细参数

发布时间:2026-04-15
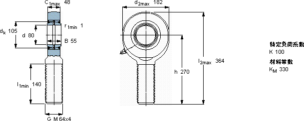
需要维护的杆端, 钢对钢,阳螺纹, 两面密封件
主要数据尺寸 角度倾的 基本负荷额定值 质量 型号
动态 静态 杆端带右或左旋螺纹
d d2 B d3 C1 h ± C C0
6g
mm 度数 kN kg -
8018255M 64x448270540058512,0SALA 80 ES-2RS

SKFSALA80ES-2RS需维护的杆端关节轴承供应商

八零动力专业销售SALA80ES-2RS需维护的杆端关节轴承,库存SKFSALA80ES-2RS大量现货,与SKF合作,咨询热线:022-58519723业务咨询
SKFSALA80ES-2RS这轴承的质量过硬,经得起时间和高强度工作的考验高品质的轴承,在复杂工况下也能展现出卓越的性能精准承载先进的生产工艺,打造出了这款性能卓越的轴承制造工艺精湛,使得这款轴承的精度、稳定性和耐用性都非常出色它的低噪音设计,减少了对环境的噪音污染 ,八零动力SKF需维护的杆端关节轴承品种全,价格优,质量有保证!

用户关注最多的SKF轴承型号

SKF6214-ZNR* SKF7202BECBP SKFCR1375230 SKFCR14X25X5HMSA10V SKFCR26877 SKFCR31870 SKFCR40X52X7HMSA10RG SKFFSYE2.1/2H-18 SKFFYT15/16WF SKFFYT2.TF SKFNJ2213E SKFNNU41/600M/W33 SKFPCM455030M SKFS71917CD/P4A SKFSIA50TXE-2LS

SALA80ES-2RS需维护的杆端关节轴承近似的SKF轴承型号

SKFSIL80ES-2RS SKFSIQG80ES SKFSIR80ES SKFSA80ES-2RS SKFSIJ80ES SKFSALA80ES-2RS SKFSILA80ES-2RS SKFSAA80ES-2RS SKFSI80ES-2RS SKFSAL80ES-2RS SKFSALA70TXE-2LS SKFSALA80TXE-2LS

用户关注最多的轴承狗热门型号

NSK  NJ1011 SKF  CR387.35x438.15x15.88HDS2R SKF  C3064KM+AOH3064G* SKF  FY1.3/4FM SKF  SNW24x4.1/8 NACHI  230/530EW33 NTN  UCFLU312 GMN  71915C/DT NTN  NU1040 STEYR  54216U SNR  7009C/DF LYC  NJ 1020 M NACHI  23216E NACHI  E32026J IKO  CRB25030

版权所有©2009-2015 轴承狗zcgou.com ICP备案:津ICP备14004550号-13