SKFSILA80TXE-2LS轴承详细参数

发布时间:2026-04-16
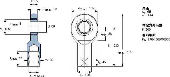
免维护杆端, 阴螺纹, 钢/PTFE织物 , 两面密封件
主要数据尺寸 角度倾的 基本负荷额定值 质量 型号
动态 静态 轴承座完全与密封件
d d2 B d3 C1 h1± C C0
6H
mm 度数 kN kg -
8018255M 64x4482305114065515,0SILA 80 TXE-2LS

SKFSILA80TXE-2LS免维护的杆端关节轴承供应商

八零动力专业销售SILA80TXE-2LS免维护的杆端关节轴承,库存SKFSILA80TXE-2LS大量现货,与SKF合作,咨询热线:022-58519723业务咨询
SKFSILA80TXE-2LS就是选择高效与可靠先进的生产工艺,让这款轴承的性能得到了极大提升它的材质选择,体现了对品质的极致追求 该轴承的性能优越,极大地提高了设备的工作效率先进的制造工艺,让这款轴承的性能更加稳定可靠它的轴向跳动控制,确保了机械的平稳运行 ,八零动力SKF免维护的杆端关节轴承品种全,价格优,质量有保证!

用户关注最多的SKF轴承型号

SKF32056X/DF SKF3309ATN9 SKF7005CE/P4A SKF70/630AMB SKFBT4B328912E3/C675* SKFBT4B332671/HA1 SKFC3140K+H3140* SKFCR15004 SKFCR27X41X10CRSH1R SKFCR402206 SKFK85x92x20 SKFNN3019KTN9/SP SKFNNU41/710M/W33 SKFQJ304 SKFRLS9

SILA80TXE-2LS免维护的杆端关节轴承近似的SKF轴承型号

SKFSAL80TXE-2LS SKFSIA80TXE-2LS SKFSI80TXE-2LS SKFSILA80TXE-2LS SKFSIL80TXE-2LS SKFSAA80TXE-2LS SKFSALA80TXE-2LS SKFSA80TXE-2LS SKFSILA80ES-2RS SKFSILKAC10M

用户关注最多的轴承狗热门型号

FAG  SNV140-L + 20313-K-MB-C3 + H313X204 + DHV613X204 RHP  3213A NTN  71934C/DT TIMKEN  335/332A LYC  6204 E/P5Z1 SKF  CR99289 SNR  7205C/DF KOYO  4TR19D RIV  N2314 TIMKEN  G1108KRRB 国产  RN312M MRC  NU1017 LYC  NU 1014 IKO  RNAF709030 IKO  CRBS1408V

版权所有©2009-2015 轴承狗zcgou.com ICP备案:津ICP备14004550号-13