SKFSA80ES-2RS轴承详细参数

发布时间:2026-04-14
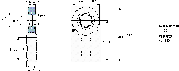
需要维护的杆端, 钢对钢,阳螺纹, 两面密封件
主要数据尺寸 角度倾的 基本负荷额定值 质量 型号
动态 静态 杆端带右或左旋螺纹
d d2 B d3 C1 h ± C C0
6g
mm 度数 kN kg -
8018255M 80x448295540058514,5SA 80 ES-2RS

SKFSA80ES-2RS需维护的杆端关节轴承供应商

八零动力专业销售SA80ES-2RS需维护的杆端关节轴承,库存SKFSA80ES-2RS大量现货,与SKF合作,咨询热线:022-58519723业务咨询
SKFSA80ES-2RS从制造工艺到实际性能,这款轴承都表现得十分出色,它的品质卓越,为机械设备的高效、稳定运行保驾护航打造出了性能卓越的这款轴承,该轴承的精度控制达到了极致它在电子设备中的应用,展现了它的高精密性 它的高效率,让机械运转更加节能 轴承的精度极高,使得设备的运行误差被控制在极小范围内,八零动力SKF需维护的杆端关节轴承品种全,价格优,质量有保证!

用户关注最多的SKF轴承型号

SKF22224EK+AHX3124* SKF316639AG SKF32315BJ2/QCL7C SKF62313-2RS1 SKF7021CD/P4A SKF71924CD/P4A SKFBSA209CG SKFC4188MB* SKFCR105X150X15CRSH11R SKFCR19731 SKFCR20445 SKFCR8741 SKFHK4018RS SKFRN-5x15.8BF/G2 SKFSIQG12ESA

SA80ES-2RS需维护的杆端关节轴承近似的SKF轴承型号

SKFSA80ES-2RS SKFSIL80ES-2RS SKFSALA80ES-2RS SKFSIQG80ES SKFSC80ES SKFSIJ80ES SKFSIR80ES SKFSAL80ES-2RS SKFSIA80ES-2RS SKFSI80ES-2RS SKFSA70TXE-2LS SKFSA80TXE-2LS

用户关注最多的轴承狗热门型号

INA  RCJL30-N SKF  24068CACK30/W33 INA  SCE46-P KOYO  22312RHRK+H2312X KOYO  16040 SKF  CR2100562 SKF  CR62X85X10HMS5V FYH  UKP212+H2312 INA  NAO20X35X17 SKF  PCM125130100M LYC  60/28 E NTN  7021C/DB SKF  2x7332BCBM INA  NKIA5907 NTN  K15×19×10

版权所有©2009-2015 轴承狗zcgou.com ICP备案:津ICP备14004550号-13