SKFSIL80ES-2RS轴承详细参数

发布时间:2026-05-30
需要维护的杆端, 钢对钢,阴螺纹, 两面密封件
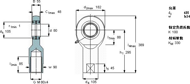
主要数据尺寸 角度倾的 基本负荷额定值 质量 型号
动态 静态 杆端带右或左旋螺纹
d d2 B d3 C1 h1± C C0
6H
mm 度数 kN kg -
8018255M 80x448295540065515,0SIL 80 ES-2RS

SKFSIL80ES-2RS需维护的杆端关节轴承供应商

八零动力专业销售SIL80ES-2RS需维护的杆端关节轴承,库存SKFSIL80ES-2RS大量现货,与SKF合作,咨询热线:022-58519723业务咨询
SKFSIL80ES-2RS匠心制造它的可回收性,减少了废弃物处理成本 旋转不息您值得拥有其设计和制造都达到了极高的水准,是一款不可多得的轴承它在化工设备中的应用,展现了它的耐腐蚀性 ,八零动力SKF需维护的杆端关节轴承品种全,价格优,质量有保证!

用户关注最多的SKF轴承型号

SKF24092ECA/W33 SKF241/530ECAK30/W33+AOH241/530G* SKF7013CD/P4A SKF7214C/DT SKF7244AC/DB SKFCR145X175X15HMSA10V SKFCR180x200x12CRSHA1V SKFCR24X35X7HMS5V SKFJM718149A/110/Q SKFNNU4192K30M SKFNU236E SKFPF1.15/16FM SKFRNA4914 SKFSYE1.1/2-3 SKFSYFL20TH

SIL80ES-2RS需维护的杆端关节轴承近似的SKF轴承型号

SKFSIA80ES-2RS SKFSIJ80ES SKFSALA80ES-2RS SKFSAL80ES-2RS SKFSIQG80ES SKFSA80ES-2RS SKFSIL80ES-2RS SKFSCF80ES SKFSAA80ES-2RS SKFSI80ES-2RS SKFSIL70TXE-2LS SKFSIL80TXE-2LS

用户关注最多的轴承狗热门型号

FAG  SNV120-L + 1311-TVH + TSV311 SNR  7303AC/DB SKF  CR26387 ASAHI  UCK315 TIMKEN  M252337/M252310CD+LM249748XA STEYR  NUP330 SNR  7009AC NSK  RNA5913 国产  2322 NTN  6706 TIMKEN  200FSH320-TT NTN  NUP2304E NACHI  NU1038 IKO  NA69-22U IKO  CF6UUR

版权所有©2009-2015 轴承狗zcgou.com ICP备案:津ICP备14004550号-13