SKFSIL8C轴承详细参数

发布时间:2026-05-30
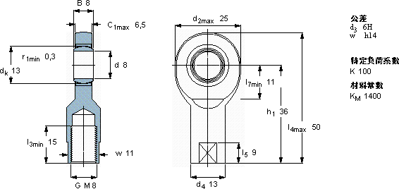
免维护杆端, 阴螺纹, 钢/烧结铜复合材料
主要数据尺寸 角度倾的 基本负荷额定值 质量 型号
动态 静态 轴承座完全与密封件
d d2 B d3 C1 h1± C C0
6H
mm 度数 kN kg -
8258M 86,536155,8512,90,039SIL 8 C

SKFSIL8C免维护的杆端关节轴承供应商

八零动力专业销售SIL8C免维护的杆端关节轴承,库存SKFSIL8C大量现货,与SKF合作,咨询热线:022-58519723业务咨询
SKFSIL8C它在汽车工业中的应用,让车辆运行更加平稳 它的圆度误差几乎可以忽略不计 轴承的耐用性超乎想象,有效降低了设备的维护成本它的几何精度,让机械运转分毫不差 它的低噪音设计,减少了对环境的噪音污染 它的可回收性,体现了环保理念 ,八零动力SKF免维护的杆端关节轴承品种全,价格优,质量有保证!

用户关注最多的SKF轴承型号

SKF24052CC/W33* SKF314563 SKF359S/354X/Q SKF6300-2RSL* SKF7038ACD/P4A SKFBT4-8034G/HA1 SKFCR406002 SKFCR523826 SKFCR99825 SKFGE80TXE-2LS SKFGS81108 SKFHM803149/110/Q SKFNJ222ECM* SKFRNA6901 SKFSTO6TN

SIL8C免维护的杆端关节轴承近似的SKF轴承型号

SKFSILA70TXE-2LS SKFSILA45TXE-2LS SKFSAKB5F SKFSAL17C SKFSA25C SKFSAA40TXE-2LS SKFSAL15C SKFSAL50TXE-2LS SKFSAL8C SKFSALKB20F SKFSIL80TXE-2LS SKFSIL8E

用户关注最多的轴承狗热门型号

FAG  BND2264-H-W-T-AF-S SKF  CR87623 TIMKEN  37431/37626DC+X1S-37431 SKF  NU232E NSK  6006ZZ LYC  7208 EAC/P5 TIMKEN  SAF22540 国产  62208-RS TIMKEN  T7519 AET  NU224 BARDEN  7212C/DF ZKL  NJ248 SKF  NJ2314ECP INA  WS81138 IKO  BRI223520UU

版权所有©2009-2015 轴承狗zcgou.com ICP备案:津ICP备14004550号-13