SKFSI6C轴承详细参数

发布时间:2026-04-14
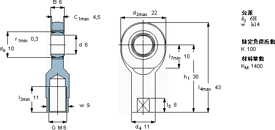
免维护杆端, 阴螺纹, 钢/烧结铜复合材料
主要数据尺寸 角度倾的 基本负荷额定值 质量 型号
动态 静态 轴承座完全与密封件
d d2 B d3 C1 h1± C C0
6H
mm 度数 kN kg -
6226M 64,530133,68,150,020SI 6 C

SKFSI6C免维护的杆端关节轴承供应商

八零动力专业销售SI6C免维护的杆端关节轴承,库存SKFSI6C大量现货,与SKF合作,咨询热线:022-58519723业务咨询
SKFSI6C它在风力发电中的应用,为清洁能源贡献力量 它的耐高温性能,让它在极端环境下依然稳定运行 轴承的稳定性和可靠性都十分出色,赢得了用户的信赖让您的机械如虎添翼,这款轴承的性能卓越,有效提升了设备的整体性能和可靠性该轴承的性能优越,极大地提高了设备的工作效率,八零动力SKF免维护的杆端关节轴承品种全,价格优,质量有保证!

用户关注最多的SKF轴承型号

SKF33212 SKFBT4-8037G/HA1VA901 SKFC7020FB/P7 SKFCR13758 SKFCR16247 SKFCR20125 SKFCR400700 SKFHMV76E SKFNJ2308ECML* SKFK55x60x27 SKFNNU41/1500K30M/W33 SKFNNU49/500B/SPW33X SKFNUP226E SKFOKC340 SKFSYR1.11/16N-118

SI6C免维护的杆端关节轴承近似的SKF轴承型号

SKFSIA45TXE-2LS SKFSAL8C SKFSA25C SKFSAL25C SKFSILKB20F SKFSILKB22F SKFSIL25C SKFSA17C SKFSILKB18F SKFSAL40TXE-2LS SKFSI60TXE-2LS SKFSI6E

用户关注最多的轴承狗热门型号

LYC  22209 TIMKEN  GRA114RRB KOYO  6216-2RS NACHI  6024ZZ LYC  30313X2B NSK  6202N RHP  6007-2Z TIMKEN  39585D/39520+Y8S-39520 SKF  T2ED055/QCLN 国产  RNA355730 INA  ZKLFA1050-2Z SKF  39590/39520/Q SKF  5313E BARDEN  71921C/DF 国产  NJ310

版权所有©2009-2015 轴承狗zcgou.com ICP备案:津ICP备14004550号-13