SKFSAL6C轴承详细参数

发布时间:2026-05-30
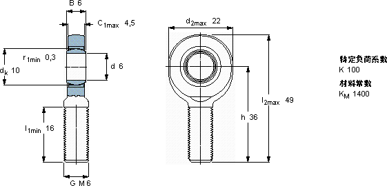
免维护杆端, 阳螺纹, 钢/烧结铜复合材料
主要数据尺寸 角度倾的 基本负荷额定值 质量 型号
动态 静态 轴承座完全与密封件
d d2 B d3 C1 h ± C C0
6g
mm 度数 kN kg -
6226M 64,536133,68,150,015SAL 6 C

SKFSAL6C免维护的杆端关节轴承供应商

八零动力专业销售SAL6C免维护的杆端关节轴承,库存SKFSAL6C大量现货,与SKF合作,咨询热线:022-58519723业务咨询
SKFSAL6C轴承的耐用性极佳,为设备的长期稳定运行提供了保障先进的制造工艺,让这款轴承的性能更加稳定可靠旋转不息为您的工程保驾护航,它的质量过硬,为机械设备的高效、安全运行提供了保障它的材质选择,体现了对品质的极致追求 ,八零动力SKF免维护的杆端关节轴承品种全,价格优,质量有保证!

用户关注最多的SKF轴承型号

SKF31309J2/QCL7C* SKF315189A SKF6002-RS SKF71924ACE/HCP4A SKF7218AC/DF SKF7222C/DB SKFCR20X40X10HMS5RG SKFCR40X72X10HMS5RG SKFGEZ112ES-2RS SKFNJ2224ECM* SKFSIR100ES SKFW6007 SKFYAR205-100-2RF SKFYAT209-112 SKFYET205-014CW

SAL6C免维护的杆端关节轴承近似的SKF轴承型号

SKFSA25C SKFSI40TXE-2LS SKFSALKB16F SKFSA30C SKFSIA80TXE-2LS SKFSILA70TXE-2LS SKFSI6C SKFSI10C SKFSIA50TXE-2LS SKFSALKB5F SKFSAL60TXE-2LS SKFSAL6E

用户关注最多的轴承狗热门型号

KOYO  23176RK+AH3176 SKF  2307ETN9 INA  KWVE35-B-KT-H LYC  22317 CA INA  PAP13060-P10 LYC  LM283649DGW/LM283610/LM283610D-1 SKF  33205 LYC  32936/DF TIMKEN  14131 /14276-B SKF  1307 NSK  23120CE4 SKF  IR40x48x22 INA  TCJ80 FAG  F515-B-L + 2215-K-TVH-C3 LYC  6201 E-Z/C3

版权所有©2009-2015 轴承狗zcgou.com ICP备案:津ICP备14004550号-13