SKFSI10C轴承详细参数

发布时间:2026-05-30
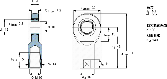
免维护杆端, 阴螺纹, 钢/烧结铜复合材料
主要数据尺寸 角度倾的 基本负荷额定值 质量 型号
动态 静态 轴承座完全与密封件
d d2 B d3 C1 h1± C C0
6H
mm 度数 kN kg -
10309M 107,543128,65190,069SI 10 C

SKFSI10C免维护的杆端关节轴承供应商

八零动力专业销售SI10C免维护的杆端关节轴承,库存SKFSI10C大量现货,与SKF合作,咨询热线:022-58519723业务咨询
SKFSI10C轴承的选材优质,确保了其在各种环境下都能稳定工作其设计和制造都达到了极高的水准,是一款不可多得的轴承这款轴承的运转十分平稳,几乎感受不到任何震动轴承的耐用性强,减少了设备的停机维护时间轴承的精度和稳定性都达到了行业顶尖水平是您机械世界里的不败功臣,,八零动力SKF免维护的杆端关节轴承品种全,价格优,质量有保证!

用户关注最多的SKF轴承型号

SKF1301EM SKF22240CCK/W33* SKF22248CC/W33 SKF6203/HR11TN SKF7238B/DB SKF7418CBM SKFBT4B328912G/HA1VA901 SKFCR11740 SKFCR42475 SKFNCF3014CV SKFNJ2212ECJ* SKFNKS40 SKFNNU6076M SKFNUP215E SKFPCMF202321.5E

SI10C免维护的杆端关节轴承近似的SKF轴承型号

SKFSIL10C SKFSI10C SKFSILKB10F SKFSIKB10F/VZ019 SKFSAKB10F SKFSAL10C SKFSALKB10F SKFSA10C SKFSIKB10F SKFSDAF23288KAx16.1/2 SKFSI10E

用户关注最多的轴承狗热门型号

INA  NK7/12-TV LYC  61964/C3 FAG  H3936-HG LYC  22240 CAK/W33+H3140 LYC  23130 CA/C2 KOYO  23252CACK/W33+H2352 NTN  24148CC/W33 MRC  6214-Z TIMKEN  FSAF22516 SKF  81128 KOYO  6219-2RZ FAG  KUG120 国产  NK43/20 国产  QJF1940X3 IKO  CF30-1V

版权所有©2009-2015 轴承狗zcgou.com ICP备案:津ICP备14004550号-13