SKFSIL8E轴承详细参数

发布时间:2026-05-30
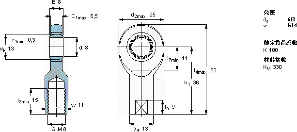
需要维护的杆端, 钢对钢,阴螺纹
主要数据尺寸 角度倾的 基本负荷额定值 质量 型号
动态 静态 杆端带右或左旋螺纹
d d2 B d3 C1 h1± C C0
6H
mm 度数 kN kg -
8258M 86,536155,512,90,039SIL 8 E

SKFSIL8E需维护的杆端关节轴承供应商

八零动力专业销售SIL8E需维护的杆端关节轴承,库存SKFSIL8E大量现货,与SKF合作,咨询热线:022-58519723业务咨询
SKFSIL8E品质永相随它的模块化设计,让安装和更换变得轻松便捷 优秀的设计理念和精湛的制造工艺,成就了这款杰出的轴承优秀的设计让这款轴承在运行时更加高效节能为设备的精确运行提供了保障,该轴承的精度控制精准,为设备的精确运行提供了保障轴承的选材优质,确保了其在各种环境下都能稳定工作,八零动力SKF需维护的杆端关节轴承品种全,价格优,质量有保证!

用户关注最多的SKF轴承型号

SKF09074/09195/QVQ494 SKF22228CC/W33 SKF23120CCK/W33 SKF294/630 SKF51188F SKF61907-2RS1 SKF6205-2RS SKF6306-2Z/VA208 SKFBC4B467373VCA SKFCR25X35X7HMS5RG SKFCR405500 SKFCR40X62X8HMS5V SKFCR62X90X10HMS5RG SKFCR9838 SKFZ207

SIL8E需维护的杆端关节轴承近似的SKF轴承型号

SKFSCF100ES SKFSALKAC14M SKFSA25ES SKFSC60ES SKFSC25ES SKFSI45ES-2RS SKFSIR50ES SKFSIA60ES-2RS SKFSIR100ES SKFSIL40ES-2RS SKFSIL8C SKFSILA40ES-2RS

用户关注最多的轴承狗热门型号

SKF  54306U NSK  7203A5TY SKF  VJ-PDNB322 SKF  CR12530 KOYO  30252 SKF  CR35X47X8HMS5V FAG  B71922-E-2RSD-T-P4S SKF  SAF23040KAx7.1/4 NTN  6322-Z SKF  NNCL4834CV FAG  BND3122-H-W-Y-AF-S SKF  2x7207BEGAP* SKF  32310TN9 SKF  NJ2220ECM* INA  GS89312

版权所有©2009-2015 轴承狗zcgou.com ICP备案:津ICP备14004550号-13