SKFSIL80TXE-2LS轴承详细参数

发布时间:2026-04-14
免维护杆端, 阴螺纹, 钢/PTFE织物 , 两面密封件
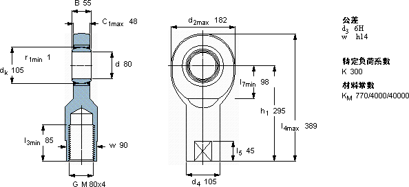
主要数据尺寸 角度倾的 基本负荷额定值 质量 型号
动态 静态 轴承座完全与密封件
d d2 B d3 C1 h1± C C0
6H
mm 度数 kN kg -
8018255M 80x4482955114065515,0SIL 80 TXE-2LS

SKFSIL80TXE-2LS免维护的杆端关节轴承供应商

八零动力专业销售SIL80TXE-2LS免维护的杆端关节轴承,库存SKFSIL80TXE-2LS大量现货,与SKF合作,咨询热线:022-58519723业务咨询
SKFSIL80TXE-2LS高精度与高可靠性的完美结合,成就了这款杰出的轴承它的稳定性,让它在各种环境下都能可靠工作 始终顺滑如初,铸就卓越品质,引领行业速度,我们的轴承始终稳如磐石这款轴承的精度极高,能够满足对精度要求苛刻的设备,八零动力SKF免维护的杆端关节轴承品种全,价格优,质量有保证!

用户关注最多的SKF轴承型号

SKF2212 SKF22208CC/W33 SKF52224 SKF6040 SKF7019FB/P7 SKFBC4B319668 SKFC4138K30V+AH24138* SKFCR62497 SKFCR80X125X13CRSH1R SKFCR86169 SKFFY1.5/8FM SKFFYTL25THR SKFGX80F SKFNKIB59/22 SKFPCM556050B

SIL80TXE-2LS免维护的杆端关节轴承近似的SKF轴承型号

SKFSI80TXE-2LS SKFSIL80TXE-2LS SKFSALA80TXE-2LS SKFSAL80TXE-2LS SKFSA80TXE-2LS SKFSAA80TXE-2LS SKFSIA80TXE-2LS SKFSILA80TXE-2LS SKFSIL80ES-2RS SKFSIL8C

用户关注最多的轴承狗热门型号

STEYR  6310-2Z LYC  E42234KJ NTN  7301C/DF NTN  21310CK+AHX310 NTN  NJ2236+HJ2236 ZKL  7336B/DB INA  NA4910-2RSR SKF  NJ316ECM* SKF  BC4-8003/HA1VA907 NSK  7018CTY SKF  WS81156 INA  WS89414 NSK  LM101712-1 FAG  SNV200-L + 2222-K-M-C3 + H322X315 + TSV522 NTN  F606

版权所有©2009-2015 轴承狗zcgou.com ICP备案:津ICP备14004550号-13