SKFSAKB14F轴承详细参数

发布时间:2026-05-29
免维护杆端, 阳螺纹, 钢/PTFE复合材料
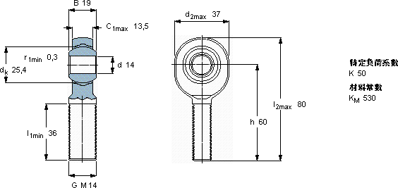
主要数据尺寸 角度倾的 基本负荷额定值 质量 型号
动态 静态 轴承座完全与密封件
d d2 B d3 C1 h ± C C0
6g
mm 度数 kN kg -
143719M 1413,560161725,50,14SAKB 14 F

SKFSAKB14F免维护的杆端关节轴承供应商

八零动力专业销售SAKB14F免维护的杆端关节轴承,库存SKFSAKB14F大量现货,与SKF合作,咨询热线:022-58519723业务咨询
SKFSAKB14F它在轨道交通中的应用,确保了列车的安全运行 是您机械世界里的不败功臣,该轴承的性能出色,有效提升了机械设备的整体性能它机械世界的心脏,默默支撑着无数设备的运转 精准承载它的质量过硬,为机械设备的高效、安全、稳定运行 ,八零动力SKF免维护的杆端关节轴承品种全,价格优,质量有保证!

用户关注最多的SKF轴承型号

SKF23028-2CS5/VT143* SKF231/530CA/W33 SKF23192CAK/W33+OH3192H* SKF7020AC/DT SKF7080BM SKF71906ACD/P4A SKF7204BECBM SKFCR12336 SKFCR12X28X7HMSA10V SKFCR18X28X7HMS5V SKFCR99103 SKFFYRP2.1/2H-18 SKFIR8x12x12.5 SKFTU25FM SKFWEEMB3

SAKB14F免维护的杆端关节轴承近似的SKF轴承型号

SKFSALKB14F SKFSILKB14F SKFSAKB14F SKFSIKB14F SKFSAKB12F SKFSAKB16F

用户关注最多的轴承狗热门型号

KOYO  3308A FYH  UCFC214 KOYO  692 SKF  CR1700280 FAG  ZRB12X21-QP FAG  N204-E-TVP2 LYC  6317 E/C3Z1 INA  GE15-DO-2RS NSK  239/1000E4 STEYR  51424 SKF  NJ308ECP NACHI  51424 NTN  UKFLU210+H2310 SKF  SNL3064 BARDEN  7012C/DB

版权所有©2009-2015 轴承狗zcgou.com ICP备案:津ICP备14004550号-13