SKFSIL70TXE-2LS轴承详细参数

发布时间:2026-04-29
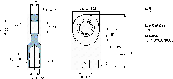
免维护杆端, 阴螺纹, 钢/PTFE织物 , 两面密封件
主要数据尺寸 角度倾的 基本负荷额定值 质量 型号
动态 静态 轴承座完全与密封件
d d2 B d3 C1 h1± C C0
6H
mm 度数 kN kg -
7016249M 72x443265688053010,5SIL 70 TXE-2LS

SKFSIL70TXE-2LS免维护的杆端关节轴承供应商

八零动力专业销售SIL70TXE-2LS免维护的杆端关节轴承,库存SKFSIL70TXE-2LS大量现货,与SKF合作,咨询热线:022-58519723业务咨询
SKFSIL70TXE-2LS它的疲劳强度,确保了长期使用的可靠性 它的热处理工艺,增强了它的硬度和韧性 转动精彩它的沟槽设计,完美匹配滚动体的运动轨迹 品质卓越它在机器人领域的应用,展现了它的高精密性 ,八零动力SKF免维护的杆端关节轴承品种全,价格优,质量有保证!

用户关注最多的SKF轴承型号

SKF23218CCK/W33* SKF23980CC/W33* SKF52224 SKF53409 SKF7320BEGAM* SKFAS120155 SKFCR2100562 SKFCR99249 SKFK80x86x20 SKFNATV10 SKFNJ318ECML* SKFNKI6/16TN SKFNNU40/900M/W33 SKFPCM101220M SKFSNL3168FTURT

SIL70TXE-2LS免维护的杆端关节轴承近似的SKF轴承型号

SKFSI70TXE-2LS SKFSILA70TXE-2LS SKFSAL70TXE-2LS SKFSALA70TXE-2LS SKFSIL70TXE-2LS SKFSA70TXE-2LS SKFSIA70TXE-2LS SKFSAA70TXE-2LS SKFSIL70ES-2RS SKFSIL80ES-2RS

用户关注最多的轴承狗热门型号

SKF  N203E NACHI  7328DB SKF  CR30X52X10HMS5V SKF  CR400x440x20HDS2V SKF  NU2310ECP LYC  16011 NACHI  7309C INA  KGBAS25-PP-AS KOYO  29422 KOYO  23044CC/W33 SKF  89412TN NSK  HR30208J LYC  22216 CA/C4W33/S1 NACHI  NJ306EG 国产  51236

版权所有©2009-2015 轴承狗zcgou.com ICP备案:津ICP备14004550号-13