SKFSIKAC10M轴承详细参数

发布时间:2026-04-14
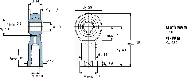
需要维护的杆端, 钢对青铜,阴螺纹
主要数据尺寸 角度倾的 基本负荷额定值 质量 型号
动态 静态 轴承座完全与
d d2 B d3 C1 h1± C C0
6H
mm 度数 kN kg -
102914M 1011,543131012,20,079SIKAC 10 M

SKFSIKAC10M需维护的杆端关节轴承供应商

八零动力专业销售SIKAC10M需维护的杆端关节轴承,库存SKFSIKAC10M大量现货,与SKF合作,咨询热线:022-58519723业务咨询
SKFSIKAC10M它在包装机械中的应用,确保了设备的高效率 优秀的轴承,就像精密仪器的心脏,确保着整个系统的高效运转它的材质选择,体现了对品质的极致追求 它在航空航天领域的应用,展现了它的高可靠性 轴承的耐用性极佳,为设备的长期稳定运行提供了保障这轴承的设计巧妙,充分考虑了设备的运行需求和维护便利性,八零动力SKF需维护的杆端关节轴承品种全,价格优,质量有保证!

用户关注最多的SKF轴承型号

SKF22356CAC/W33 SKF29460 SKF2x7238BCBM SKFC2209V* SKFC2226K+AHX3126* SKFCR46144 SKFFYKC40NTH SKFN2304 SKFNUP307ECP* SKFOKBS85 SKFP1/2FM SKFS7024ACD/P4A SKFS71911ACD/HCP4A SKFSNW3044x7.15/16 SKFZ214

SIKAC10M需维护的杆端关节轴承近似的SKF轴承型号

SKFSIJ100ES SKFSCF110ES SKFSIKAC10M/VZ019 SKFSIL10E SKFSAL10E SKFSI10E SKFSALKAC10M SKFSIR100ES SKFSA10E SKFSAKAC10M SKFSIJ80ES SKFSIKAC10M/VZ019

用户关注最多的轴承狗热门型号

RHP  NU228 国产  352226X2-3 SKF  GS81212 TIMKEN  28118/28315 FAG  BND2252-H-C-Y-AL-S NTN  6000-RS SKF  7234B LYC  24168 CA/W33 SNR  6019-2RS SKF  CR12X22X6HMSA10RG DKF  7319AC/DB KOYO  M272647D/610/610D SKF  FYT5/8RM IKO  CFES8 IKO  CR20

版权所有©2009-2015 轴承狗zcgou.com ICP备案:津ICP备14004550号-13