SKFSIJ60ES轴承详细参数

发布时间:2026-05-30
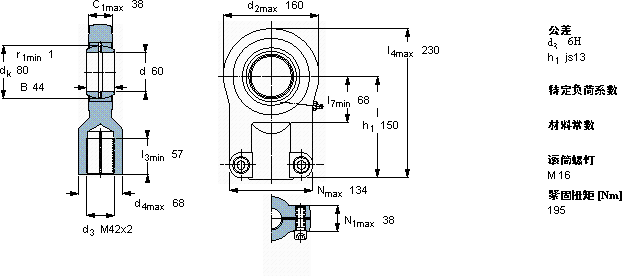
需要维护的杆端, 钢对钢,阴螺纹,用于液压滚筒
主要数据尺寸 角度倾的 基本负荷额定值 质量 型号
动态 静态 杆端带右旋螺纹
d d2 B d3 C1 h1± C C0
6H
mm 度数 kN kg -
6016044M42x23815032453808,40SIJ 60 ES

SKFSIJ60ES需维护的杆端关节轴承供应商

八零动力专业销售SIJ60ES需维护的杆端关节轴承,库存SKFSIJ60ES大量现货,与SKF合作,咨询热线:022-58519723业务咨询
SKFSIJ60ES性能卓越的它,为机械设备的稳定运行提供了可靠保障承载重托是您设备高效运转的可靠伙伴,品质卓越的它,为机械设备的稳定、高效运行提供了支持这轴承的制造工艺精湛,展现出了极高的工业水准它的高可靠性,减少了设备停机时间 ,八零动力SKF需维护的杆端关节轴承品种全,价格优,质量有保证!

用户关注最多的SKF轴承型号

SKF23124CC/W33* SKF3203A-2RS1 SKF71914ACD/HCP4A SKFBTM100B/P4CDBA SKFCR14283 SKFCR68x95x10CRW1V SKFCR87142 SKFFSNL522TURU SKFFY40TF/VA201 SKFGE120CS-2Z SKFNJ2209ECP* SKFNJ2218ECP* SKFNK85/25 SKFNU308E SKFP80R-1.3/8TF

SIJ60ES需维护的杆端关节轴承近似的SKF轴承型号

SKFSI60ES-2RS SKFSA60ES-2RS SKFSAL60ES-2RS SKFSIJ60ES SKFSCF60ES SKFSIQG160ES SKFSIL60ES-2RS SKFSIR60ES SKFSIA60ES-2RS SKFSAA60ES-2RS SKFSIJ50ES SKFSIJ80ES

用户关注最多的轴承狗热门型号

国产  2216 FAG  SNV100-L + 20211-K-TVP-C3 + H211X115 + TSV511X115 SKF  CR220X250X16CRWH1R DKF  7232B/DB NACHI  NN3022 TIMKEN  96925/96140CD/X1S-96925 NSK  7305BWDT FLT  NU2212 RHP  7205B NSK  7911CDF INA  ZM75 NSK  17BGR19X LYC  7210 AC/P2 INA  NK14/20 IKO  LWHDC8...SL

版权所有©2009-2015 轴承狗zcgou.com ICP备案:津ICP备14004550号-13