SKF249/1120CAF/W33轴承详细参数

发布时间:2026-04-14
球面滚子轴承, 圆柱和圆锥孔, 圆柱型内孔, 无密封件
主要数据尺寸 基本负荷额定值 疲劳负荷限值 额定速度 体积 型号
动态 静态 参照速度 限制速度
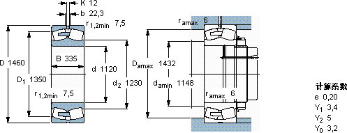
d D B C C0 Pu
mm kN kN r/min kg -
11201460335117003450018301402601500249/1120 CAF/W33

SKF249/1120CAF/W33球面滚子轴承供应商

八零动力专业销售249/1120CAF/W33球面滚子轴承,库存SKF249/1120CAF/W33大量现货,与SKF合作,咨询热线:022-58519723业务咨询
SKF249/1120CAF/W33它的高效率,让机械运转更加节能 它的抗震性能,确保了它在振动环境下的可靠性 卓越的设计理念,赋予了这款轴承超凡的性能制造工艺精湛,使得这款轴承的精度、稳定性和耐用性都非常出色承载重托品质卓越的它,为机械设备的稳定、高效运行提供了支持,八零动力SKF球面滚子轴承品种全,价格优,质量有保证!

用户关注最多的SKF轴承型号

SKF320/28X/Q SKF51107V/HR22Q2 SKF71915ACE/P4A SKFAHX3128/125 SKFBA9 SKFCR12371 SKFCR61840 SKFFY1.7/16RM SKFFYRP4H SKFNNU4934/W33 SKFNUP2313ECP SKFSDAF23164 SKFSYFL20TR/VE495 SKFYAR204-2F SKFYAR211-203-2F

249/1120CAF/W33球面滚子轴承近似的SKF轴承型号

SKF249/950CA/W33 SKF249/750CAK30/W33 SKF249/710CAK30/W33* SKF249/800CAK30/W33* SKF249/1180CAF/W33 SKF249/950CAK30/W33 SKF249/1120CAK30F/W33 SKF249/710CA/W33* SKF249/1000CA/W33 SKF249/1120CAF/W33 SKF249/1060CAK30F/W33 SKF249/1120CAK30F/W33

用户关注最多的轴承狗热门型号

TIMKEN  RA106RRB MRC  6309-Z FAG  HCB7010-E-T-P4S 国产  6224-2RS/Z3 NTN  7202B SKF  31318 INA  RALE25-NPP TIMKEN  L476549/L476510CD+L476549XA SKF  CR400055 SKF  NU410 SKF  23222-2CS5/VT143* MRC  6315-2Z SKF  CR13X26X7HMSA10V KOYO  NU310R NSK  7916CTYNDBLP4

版权所有©2009-2015 轴承狗zcgou.com ICP备案:津ICP备14004550号-13