SKF249/950CA/W33轴承详细参数

发布时间:2026-04-15
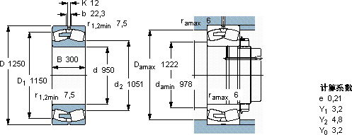
球面滚子轴承, 圆柱和圆锥孔, 圆柱型内孔, 无密封件
主要数据尺寸 基本负荷额定值 疲劳负荷限值 额定速度 体积 型号
动态 静态 参照速度 限制速度
d D B C C0 Pu
mm kN kN r/min kg -
950125030092002600015001803401015249/950 CA/W33

SKF249/950CA/W33球面滚子轴承供应商

八零动力专业销售249/950CA/W33球面滚子轴承,库存SKF249/950CA/W33大量现货,与SKF合作,咨询热线:022-58519723业务咨询
SKF249/950CA/W33质量无可挑剔的轴承,在行业内树立了良好的口碑和形象轴承的性能可靠,为机械设备的稳定运行立下汗马功劳它的滚动体分布均匀,运转平稳无振动 它在冶金设备中的应用,确保了设备的高温性能 转动的艺术是您成功路上的得力助手,,八零动力SKF球面滚子轴承品种全,价格优,质量有保证!

用户关注最多的SKF轴承型号

SKF30203 SKF52308 SKF6012-2RS1* SKF7226BM SKFCR17X34X7.9CRSA1P SKFFY12TF SKFFYTM1.3/4TF/AH SKFGE160CS-2Z SKFHK2818RS SKFHMV88E SKFLM29748/710/Q SKFNJ203ECP SKFNJ2216ECML* SKFPFT1.3/16TF SKFSYE3.7/16

249/950CA/W33球面滚子轴承近似的SKF轴承型号

SKF249/1060CAK30F/W33 SKF249/1120CAF/W33 SKF249/800CAK30/W33* SKF249/850CAK30/W33* SKF249/750CA/W33 SKF249/950CAK30/W33 SKF249/1120CAK30F/W33 SKF249/710CA/W33* SKF249/1000CA/W33 SKF249/800CA/W33* SKF249/950CAK30/W33 SKF25577/2/25520/2/Q

用户关注最多的轴承狗热门型号

SKF  NNU4938/W33 RHP  7208C/DB FYH  UC210 LYC  23024 NACHI  H-11590/H-11520 LYC  N 315 M/P5 SKF  HMV90E SKF  7310BECBM 国产  RNA405020 NSK  RLM1616 国产  7217CETA TIMKEN  38KV SNR  6301-2Z ZKL  NU217 KOYO  23960RK+AH3960

版权所有©2009-2015 轴承狗zcgou.com ICP备案:津ICP备14004550号-13