SKF249/1000CA/W33轴承详细参数

发布时间:2026-04-14
球面滚子轴承, 圆柱和圆锥孔, 圆柱型内孔, 无密封件
主要数据尺寸 基本负荷额定值 疲劳负荷限值 额定速度 体积 型号
动态 静态 参照速度 限制速度
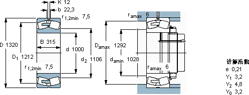
d D B C C0 Pu
mm kN kN r/min kg -
10001320315104002900015001703201200249/1000 CA/W33

SKF249/1000CA/W33球面滚子轴承供应商

八零动力专业销售249/1000CA/W33球面滚子轴承,库存SKF249/1000CA/W33大量现货,与SKF合作,咨询热线:022-58519723业务咨询
SKF249/1000CA/W33先进的生产工艺,打造出了这款性能卓越的轴承其设计和制造工艺都达到了国际先进水平,是一款优质轴承它的润滑技术,减少了润滑剂的使用 轴承的耐用性强,减少了设备的停机维护时间它的长寿命,减少了资源浪费 轴承的性能可靠,为机械设备的稳定运行立下汗马功劳,八零动力SKF球面滚子轴承品种全,价格优,质量有保证!

用户关注最多的SKF轴承型号

SKF23964CCK/W33+OH3964H* SKF575/572/Q SKF7005ACE/HCP4A SKF7009ACE/P4A SKFC4038V* SKFC71922FB/P7 SKFCR42x65x8CRW1V SKFCR65x88x8CRW1R SKFFY5/8FM SKFNJ207ECM* SKFNNCF4964CV SKFSC7019DB/P7 SKFSY20WF SKFSYR1.7/16H-3 SKFWS81192

249/1000CA/W33球面滚子轴承近似的SKF轴承型号

SKF249/950CAK30/W33 SKF249/950CA/W33 SKF249/710CAK30/W33* SKF249/1120CAK30F/W33 SKF249/1060CAK30F/W33 SKF249/750CA/W33 SKF249/1320CAK30F/W33 SKF249/1000CAK30/W33 SKF249/1180CAK30F/W33 SKF249/1120CAF/W33 SKF249/1000CAK30/W33 SKF249/1060CAF/W33

用户关注最多的轴承狗热门型号

INA  GE31-ZO KOYO  7236B/DB TIMKEN  YA104RRB LYC  132.50.4500.03K3 INA  RWS1808-350/x350/x240 LYC  6208 E/Z2 国产  7013ACM TORRINGTON&FAFNIR  6002 LYC  FCDP 6084300 NSK  HR30208J LYC  7.144/G10 NTN  UCFLU328 LYC  81118 KOYO  23176RHA IKO  CRWU145-510R

版权所有©2009-2015 轴承狗zcgou.com ICP备案:津ICP备14004550号-13