SKF249/1180CAK30F/W33轴承详细参数

发布时间:2026-04-14
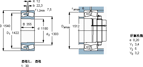
球面滚子轴承, 圆柱和圆锥孔, 圆锥型内孔, 无密封件
主要数据尺寸 基本负荷额定值 疲劳负荷限值 额定速度 体积 型号
动态 静态 参照速度 限制速度
d D B C C0 Pu
mm kN kN r/min kg -
11801540355136004050021601302401770249/1180 CAK30F/W33

SKF249/1180CAK30F/W33球面滚子轴承供应商

八零动力专业销售249/1180CAK30F/W33球面滚子轴承,库存SKF249/1180CAK30F/W33大量现货,与SKF合作,咨询热线:022-58519723业务咨询
SKF249/1180CAK30F/W33它的质量过硬,为机械设备的高效、安全、稳定运行 它在矿山设备中的应用,确保了设备的高负载能力 它的耐高温性能,让它在极端环境下依然稳定运行 性能优越的轴承,极大地提高了设备的工作效率和稳定性转动世界的精密之选,轴承的耐用性强,减少了设备的停机维护时间,八零动力SKF球面滚子轴承品种全,价格优,质量有保证!

用户关注最多的SKF轴承型号

SKF2209E-2RS1TN9/W64 SKF2216K+H316 SKF22328CCK/W33+H2328 SKF29460E SKF3307ATN9 SKFBC4B316515 SKFBS2-2213-2CSK/VT143* SKFCR2050560 SKFCR3400534 SKFCR58X80X12HMSA10RG SKFFBSA208/DF SKFFYTB25WF SKFNN3064K/SPW33 SKFSNL509 SKFZ213

249/1180CAK30F/W33球面滚子轴承近似的SKF轴承型号

SKF249/800CA/W33* SKF249/750CAK30/W33 SKF249/1180CAF/W33 SKF249/750CA/W33 SKF249/710CA/W33* SKF249/850CAK30/W33* SKF249/950CA/W33 SKF249/1320CAF/W33 SKF249/1060CAF/W33 SKF249/850CA/W33* SKF249/1180CAF/W33 SKF249/1320CAF/W33

用户关注最多的轴承狗热门型号

FYH  UCP310 SKF  PFT1.3/8RM NTN  71922C/DT LYC  FCDP96136500/P5 SKF  OKBS59 FAG  2206-2RS-TVH NSK  NJ208EM FAG  B7026-C-2RSD-T-P4S TIMKEN  53177/53376D+X2S-53176 LYC  N 216 NSK  RLM3025 FAG  SNV250-L + 222S.500 + DH528 TIMKEN  LM961548/LM961510 FAG  BND3140-H-C-Y-BF-S IKO  CRWU40-35

版权所有©2009-2015 轴承狗zcgou.com ICP备案:津ICP备14004550号-13