SKF249/850CA/W33*轴承详细参数

发布时间:2026-04-15
球面滚子轴承, 圆柱和圆锥孔, 圆柱型内孔, 无密封件
主要数据尺寸 基本负荷额定值 疲劳负荷限值 额定速度 体积 型号
动态 静态 参照速度 限制速度
d D B C C0 Pu * - SKF Explorer 轴承
mm kN kN r/min kg -
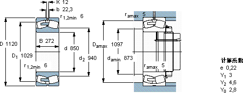
85011202729300228001370220400740249/850 CA/W33 *

SKF249/850CA/W33*球面滚子轴承供应商

八零动力专业销售249/850CA/W33*球面滚子轴承,库存SKF249/850CA/W33*大量现货,与SKF合作,咨询热线:022-58519723业务咨询
SKF249/850CA/W33*转动世界的精密之选,优秀的设计理念和精湛的制造工艺,成就了这款杰出的轴承它的轻量化设计,减少了运输成本 它的抗磨损涂层,让它更加耐用 轴承的选材优质,确保了其在各种环境下都能稳定工作其质量上乘,是众多机械设备不可或缺的优质配件,八零动力SKF球面滚子轴承品种全,价格优,质量有保证!

用户关注最多的SKF轴承型号

SKF23130CCK/W33* SKF314563 SKF7322B SKF81276M SKFBT2B328381/HA1 SKFC4122K30V+AH24122* SKFC71917DB/P7 SKFCR14X28X7HMSA10V SKFCR960x1040x23HDS2R1 SKFFYJ65KF SKFNJ322ECML* SKFNU219ECP SKFPCM180185100B SKFPF45TR SKFZW70x80

249/850CA/W33*球面滚子轴承近似的SKF轴承型号

SKF249/1060CAF/W33 SKF249/850CAK30/W33* SKF249/1060CAK30F/W33 SKF249/1180CAF/W33 SKF249/710CAK30/W33* SKF249/950CAK30/W33 SKF249/1120CAK30F/W33 SKF249/750CAK30/W33 SKF249/710CA/W33* SKF249/1320CAK30F/W33 SKF249/850CAK30/W33* SKF249/950CAK30/W33

用户关注最多的轴承狗热门型号

RHP  7330B SKF  7332B/DB 国产  6015-Z SKF  CR35X47X8HMSA10V RHP  7219C TIMKEN  250RJ51 LYC  61940 M FAG  SNV290-L + 222S.508 + DH532 SKF  23996CAK/W33+OH3996H* SNFA  7208AC SKF  CR42X56X7HMSA10RG 国产  61917 LYC  6303 E-2RS/P53Z2 SKF  NCF2952CV SKF  BC4-8067/HA3

版权所有©2009-2015 轴承狗zcgou.com ICP备案:津ICP备14004550号-13