SKF249/750CAK30/W33轴承详细参数

发布时间:2026-04-14
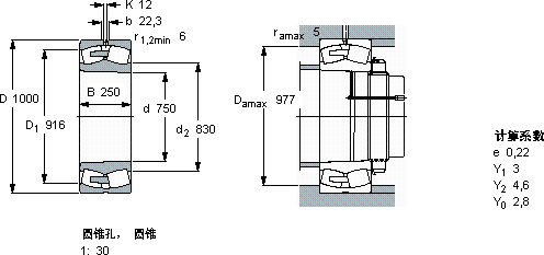
球面滚子轴承, 圆柱和圆锥孔, 圆锥型内孔, 无密封件
主要数据尺寸 基本负荷额定值 疲劳负荷限值 额定速度 体积 型号
动态 静态 参照速度 限制速度
d D B C C0 Pu
mm kN kN r/min kg -
75010002507650180001100280480550249/750 CAK30/W33

SKF249/750CAK30/W33球面滚子轴承供应商

八零动力专业销售249/750CAK30/W33球面滚子轴承,库存SKF249/750CAK30/W33大量现货,与SKF合作,咨询热线:022-58519723业务咨询
SKF249/750CAK30/W33轴承的耐用性出色,能够长时间保持良好的工作状态以卓越品质这轴承的稳定性极佳,在高速运转时也能保持良好状态这款轴承的运转十分平稳,几乎感受不到任何震动它在食品机械中的应用,展现了它的卫生性能 这轴承的稳定性极佳,即使在恶劣环境下也能正常工作,八零动力SKF球面滚子轴承品种全,价格优,质量有保证!

用户关注最多的SKF轴承型号

SKF22210EK+H310* SKF232/670CAK/W33+AOH32/670G SKF3309ATN9* SKF51104 SKF6224-RS SKFC3184M* SKFCR270x310x16HDS1R SKFCR28308 SKFCR75X95X12HMSA10RG SKFCR9814 SKFF3/4FM SKFNN3038/SPW33 SKFPCM707570E SKFS71914ACD/HCP4A SKFZ208

249/750CAK30/W33球面滚子轴承近似的SKF轴承型号

SKF249/750CA/W33 SKF249/1320CAF/W33 SKF249/1000CA/W33 SKF249/1320CAK30F/W33 SKF249/1120CAF/W33 SKF249/1060CAK30F/W33 SKF249/800CAK30/W33* SKF249/850CA/W33* SKF249/710CAK30/W33* SKF249/710CA/W33* SKF249/710CA/W33* SKF249/750CA/W33

用户关注最多的轴承狗热门型号

SKF  KD21-454 国产  ST025 国产  52315 SKF  71817ACD/P4 LYC  6304 E/YA STEYR  6203N LYC  NN 39/530 K/P5W33 NACHI  E30311J INA  K58X65X36-ZW BARDEN  7004AC/DT SKF  71915ACD/P4A FAG  ZRB19X32-QP NSK  7313ADT IKO  BRI203316 IKO  ST5072100

版权所有©2009-2015 轴承狗zcgou.com ICP备案:津ICP备14004550号-13