SKF249/1320CAF/W33轴承详细参数

发布时间:2026-04-15
球面滚子轴承, 圆柱和圆锥孔, 圆柱型内孔, 无密封件
主要数据尺寸 基本负荷额定值 疲劳负荷限值 额定速度 体积 型号
动态 静态 参照速度 限制速度
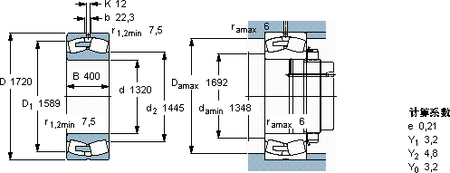
d D B C C0 Pu
mm kN kN r/min kg -
13201720400161004900025501102002500249/1320 CAF/W33

SKF249/1320CAF/W33球面滚子轴承供应商

八零动力专业销售249/1320CAF/W33球面滚子轴承,库存SKF249/1320CAF/W33大量现货,与SKF合作,咨询热线:022-58519723业务咨询
SKF249/1320CAF/W33它的抗拉强度,让它经得起各种考验 它机械世界的心脏,默默支撑着无数设备的运转 这轴承的设计简直精妙绝伦,每一处细节都彰显着极致的工艺美学它的设计巧妙,在保证性能的同时,还兼顾了安装的便捷性它的故障率极低,确保了设备的稳定运行 它的滚动体分布均匀,运转平稳无振动 ,八零动力SKF球面滚子轴承品种全,价格优,质量有保证!

用户关注最多的SKF轴承型号

SKF2x7318BEGAY SKF3315A-2Z/MT33* SKF353166B/HA3 SKF51332M SKF71922FB/P7 SKF7316BEP SKFCR1350239 SKFCR14257 SKFCR14816 SKFCR19X30X7HMSA10RG SKFE2.6312-2Z/C3 SKFHMV15E SKFNJ234E+HJ234E SKFNU222ECP SKFSAL45ES-2RS

249/1320CAF/W33球面滚子轴承近似的SKF轴承型号

SKF249/1060CAF/W33 SKF249/1060CAK30F/W33 SKF249/1320CAK30F/W33 SKF249/800CA/W33* SKF249/1320CAF/W33 SKF249/1000CAK30/W33 SKF249/800CAK30/W33* SKF249/1000CA/W33 SKF249/950CA/W33 SKF249/750CAK30/W33 SKF249/1180CAK30F/W33 SKF249/1320CAK30F/W33

用户关注最多的轴承狗热门型号

SKF  BT4B334093BG/HA1VA902* SNR  1318 SKF  NU2338ECMA LYC  011.25.575.03/P5 RHP  7236B/DT SKF  32034X 国产  627-2Z NSK  54410U NACHI  6806NKE STEYR  NU2224E SKF  GS89306 NTN  239/670 NTN  NJ317+HJ317 KOYO  456/453X IKO  YB2220

版权所有©2009-2015 轴承狗zcgou.com ICP备案:津ICP备14004550号-13