SKF249/750CA/W33轴承详细参数

发布时间:2026-05-29
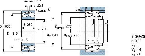
球面滚子轴承, 圆柱和圆锥孔, 圆柱型内孔, 无密封件
主要数据尺寸 基本负荷额定值 疲劳负荷限值 额定速度 体积 型号
动态 静态 参照速度 限制速度
d D B C C0 Pu
mm kN kN r/min kg -
75010002507650180001100280480560249/750 CA/W33

SKF249/750CA/W33球面滚子轴承供应商

八零动力专业销售249/750CA/W33球面滚子轴承,库存SKF249/750CA/W33大量现货,与SKF合作,咨询热线:022-58519723业务咨询
SKF249/750CA/W33它的制造工艺,堪称工业艺术的典范 它的故障率极低,确保了设备的稳定运行 您值得拥有它的多样化应用,展现了它的无限可能 设计合理、性能优良的轴承,是机械设备的理想之选高品质的轴承,在各种复杂环境下都能稳定发挥作用,八零动力SKF球面滚子轴承品种全,价格优,质量有保证!

用户关注最多的SKF轴承型号

SKF1212ETN9 SKF22208EK+H308* SKF709CD/P4A SKF81134TN SKFBT4B332671/HA1 SKFC71918DB/P7 SKFCR14994 SKFCR15883 SKFCR195X220X16CRSH13R SKFCR411603 SKFIR40x50x20IS1 SKFNA6913 SKFNJ215ECM* SKFNU1996KMA SKFSNL3072G

249/750CA/W33球面滚子轴承近似的SKF轴承型号

SKF249/710CAK30/W33* SKF249/1180CAK30F/W33 SKF249/950CA/W33 SKF249/1060CAK30F/W33 SKF249/1120CAF/W33 SKF249/1060CAF/W33 SKF249/950CAK30/W33 SKF249/800CAK30/W33* SKF249/1000CAK30/W33 SKF249/1320CAK30F/W33 SKF249/750CAK30/W33 SKF249/800CAK30/W33*

用户关注最多的轴承狗热门型号

LYC  5691/500 SKF  NNF5016ADA-2LSV LYC  6014 M 国产  3314A-2RSTN1 SKF  23224CCK/W33 NSK  32984 国产  QJ226Q1/SO FAG  SNV140-L + 22216-E1 + FSV216 NSK  80BER29SV1V SKF  NU324ECPH* NTN  NJ1017 NSK  7200BDT LYC  NA 6919 TIMKEN  78215C/78549D+X1S-78215 TIMKEN  M252330/M252310

版权所有©2009-2015 轴承狗zcgou.com ICP备案:津ICP备14004550号-13