SKF249/710CA/W33*轴承详细参数

发布时间:2026-04-15
球面滚子轴承, 圆柱和圆锥孔, 圆柱型内孔, 无密封件
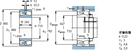
主要数据尺寸 基本负荷额定值 疲劳负荷限值 额定速度 体积 型号
动态 静态 参照速度 限制速度
d D B C C0 Pu * - SKF Explorer 轴承
mm kN kN r/min kg -
710950243680015600930300500495249/710 CA/W33 *

SKF249/710CA/W33*球面滚子轴承供应商

八零动力专业销售249/710CA/W33*球面滚子轴承,库存SKF249/710CA/W33*大量现货,与SKF合作,咨询热线:022-58519723业务咨询
SKF249/710CA/W33*制造工艺精湛,使得这款轴承的精度和稳定性都非常出色高品质的轴承,在各种复杂工况下都能展现出卓越的性能表现它的质量卓越,为机械设备的安全运行保驾护航没有轴承,现代机械将寸步难行,它的旋转精度,让高速运转成为现实 它的润滑技术,让摩擦降至最低 ,八零动力SKF球面滚子轴承品种全,价格优,质量有保证!

用户关注最多的SKF轴承型号

SKF22217CCK/W33 SKF23240CCK/W33+H2340* SKF309NR SKF3200A-2ZTN9/MT33 SKF3321 SKF71828CD/HCP4A SKF7221ACD/P4A SKF89426M SKFBCSB320240 SKFBT4B332827AG/HA1 SKFCR1475420 SKFCR16368 SKFHMVC126E SKFKMFE26L SKFOKCX240

249/710CA/W33*球面滚子轴承近似的SKF轴承型号

SKF249/800CA/W33* SKF249/1320CAK30F/W33 SKF249/1060CAK30F/W33 SKF249/1320CAF/W33 SKF249/850CAK30/W33* SKF249/950CAK30/W33 SKF249/850CA/W33* SKF249/710CA/W33* SKF249/750CA/W33 SKF249/1120CAF/W33 SKF249/710CAK30/W33* SKF249/750CAK30/W33

用户关注最多的轴承狗热门型号

TIMKEN  FS1K7 KOYO  NJ324E 国产  2218 LYC  6307 M/P63S0 SKF  319432DA-2LS RHP  6211 INA  K95X103X40-ZW NSK  6902VV STEYR  NJ2332 SKF  BT2B331837 TIMKEN  HH231649/HH231610 STEYR  NU230E NSK  LM9011025-1 SKF  6326M INA  DRS65155

版权所有©2009-2015 轴承狗zcgou.com ICP备案:津ICP备14004550号-13