SKF249/1180CAF/W33轴承详细参数

发布时间:2026-05-30
球面滚子轴承, 圆柱和圆锥孔, 圆柱型内孔, 无密封件
主要数据尺寸 基本负荷额定值 疲劳负荷限值 额定速度 体积 型号
动态 静态 参照速度 限制速度
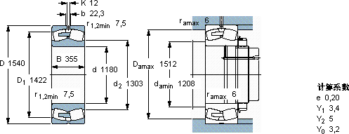
d D B C C0 Pu
mm kN kN r/min kg -
11801540355136004050021601302401800249/1180 CAF/W33

SKF249/1180CAF/W33球面滚子轴承供应商

八零动力专业销售249/1180CAF/W33球面滚子轴承,库存SKF249/1180CAF/W33大量现货,与SKF合作,咨询热线:022-58519723业务咨询
SKF249/1180CAF/W33质量上乘的轴承,是提升机械设备性能的关键因素它的尺寸精度,达到了微米级的极致 它的可回收性,体现了环保理念 它的质量过硬,为机械设备的高效、安全运行提供了保障制造工艺精湛,使得这款轴承的精度和稳定性都非常出色高品质的轴承,在各种复杂工况下都能展现出卓越的性能表现,八零动力SKF球面滚子轴承品种全,价格优,质量有保证!

用户关注最多的SKF轴承型号

SKF23260CAC/W33 SKF240/950CAK30F/W33 SKF31330T179XJ2/DB SKF6218NR* SKF7048CD/P4A SKF7308B/DT SKFBEAM050115-2Z SKFC2316* SKFCR87914 SKFFY15/16WF SKFKR26B SKFNU1011ECP SKFNUP2317E SKFRN-4x21.8BF/G2 SKFSYE3.1/2H-3

249/1180CAF/W33球面滚子轴承近似的SKF轴承型号

SKF249/750CAK30/W33 SKF249/850CA/W33* SKF249/1000CA/W33 SKF249/710CAK30/W33* SKF249/1120CAF/W33 SKF249/1060CAF/W33 SKF249/1000CAK30/W33 SKF249/1180CAF/W33 SKF249/750CA/W33 SKF249/850CAK30/W33* SKF249/1120CAK30F/W33 SKF249/1180CAK30F/W33

用户关注最多的轴承狗热门型号

NSK  F623 TIMKEN  K58X64X19H MRC  QJ208 SKF  GE30TXE-2LS TIMKEN  22324YM SKF  CR26328 FAG  BND2215-H-C-T-AL-S KOYO  N224 KOYO  23288RK+H3288 SKF  YEL207-104-2FCW FAG  BND3024-H-C-T-BF-S TIMKEN  AOH24188 DKF  7234AC TORRINGTON FAFNIR  6209-RS IKO  BAM2216

版权所有©2009-2015 轴承狗zcgou.com ICP备案:津ICP备14004550号-13