SKFSIL60ES-2RS轴承详细参数

发布时间:2026-04-14
需要维护的杆端, 钢对钢,阴螺纹, 两面密封件
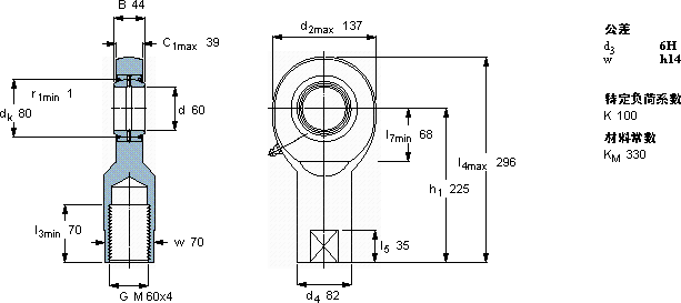
主要数据尺寸 角度倾的 基本负荷额定值 质量 型号
动态 静态 杆端带右或左旋螺纹
d d2 B d3 C1 h1± C C0
6H
mm 度数 kN kg -
6013744M 60x43922562454007,10SIL 60 ES-2RS

SKFSIL60ES-2RS需维护的杆端关节轴承供应商

八零动力专业销售SIL60ES-2RS需维护的杆端关节轴承,库存SKFSIL60ES-2RS大量现货,与SKF合作,咨询热线:022-58519723业务咨询
SKFSIL60ES-2RS这轴承的稳定性极佳,即使在恶劣环境下也能正常工作精湛的工艺打造出的轴承,精度和稳定性都令人称赞每一次转动都是精准与力量的完美呈现,它的耐腐蚀性,让它经久不衰 这款轴承的运转平稳,几乎听不到任何噪音,令人惊艳它在航空航天领域的应用,展现了它的高可靠性 ,八零动力SKF需维护的杆端关节轴承品种全,价格优,质量有保证!

用户关注最多的SKF轴承型号

SKF22209CCK/W33+H309 SKF315973 SKF7207B/DB SKFCR158X180X15CRSH13R SKFCR22X38X8HMS5V SKFEE157337/157430 SKFFYRP1.7/16-3 SKFGEC480FBAS SKFNNF5017ADB-2LSV SKFNNU49/500BK/SPW33X SKFNU1864ECMP SKFPF1.1/8TF SKFPWM100115100 SKFQJ214MA* SKFSAW23526X4.5/16

SIL60ES-2RS需维护的杆端关节轴承近似的SKF轴承型号

SKFSC60ES SKFSALA60ES-2RS SKFSILA60ES-2RS SKFSIQG160ES SKFSIL60ES-2RS SKFSIR60ES SKFSAL60ES-2RS SKFSIJ60ES SKFSA60ES-2RS SKFSIA60ES-2RS SKFSIL50TXE-2LS SKFSIL60TXE-2LS

用户关注最多的轴承狗热门型号

SKF  SYR1.3/4-3 FAG  SNV130-L + 2215-TVH + DHV215 SKF  316351CC SKF  81122TN MRC  7016AC FAG  N1012-K-M1-SP BARDEN  7240AC/DB LYC  6038 KOYO  6268 SKF  CR510x560x25HDS1D FAG  HCB7021-C-2RSD-T-P4S INA  TFE60 SNR  60/22N SKF  CR10112 KOYO  7322C

版权所有©2009-2015 轴承狗zcgou.com ICP备案:津ICP备14004550号-13