SKFSALA60ES-2RS轴承详细参数

发布时间:2026-04-15
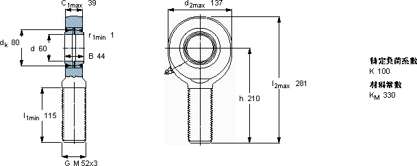
需要维护的杆端, 钢对钢,阳螺纹, 两面密封件
主要数据尺寸 角度倾的 基本负荷额定值 质量 型号
动态 静态 杆端带右或左旋螺纹
d d2 B d3 C1 h ± C C0
6g
mm 度数 kN kg -
6013744M 52x33921062453605,70SALA 60 ES-2RS

SKFSALA60ES-2RS需维护的杆端关节轴承供应商

八零动力专业销售SALA60ES-2RS需维护的杆端关节轴承,库存SKFSALA60ES-2RS大量现货,与SKF合作,咨询热线:022-58519723业务咨询
SKFSALA60ES-2RS它的故障率极低,确保了设备的稳定运行 先进的制造技术和严格的质量控制,造就了这款优质轴承优秀的设计理念和精湛的制造工艺,成就了这款优秀的轴承它在医疗设备中的应用,确保了设备的稳定性 它的耐用性,赢得了无数用户的信赖 它的高可靠性,减少了设备停机时间 ,八零动力SKF需维护的杆端关节轴承品种全,价格优,质量有保证!

用户关注最多的SKF轴承型号

SKF23248CCK/W33+OH2348H* SKF240/560ECAK30/W33* SKF29360E* SKF316737AB SKF6207/HR22T2 SKFBT4B330944AG/HA4 SKFCR17771 SKFCR22X42X10HMSA10V SKFCR65x85x8CRW1V SKFCR85X115X12HMSA10V SKFCR86841 SKFKMFE25 SKFNN3024TN9/SP SKFSNW3024x4.1/8 SKFSYR2.7/16N

SALA60ES-2RS需维护的杆端关节轴承近似的SKF轴承型号

SKFSIA60ES-2RS SKFSALA60ES-2RS SKFSIL60ES-2RS SKFSI60ES-2RS SKFSILA60ES-2RS SKFSA60ES-2RS SKFSIR60ES SKFSAA60ES-2RS SKFSIQG160ES SKFSC60ES SKFSALA50TXE-2LS SKFSALA60TXE-2LS

用户关注最多的轴承狗热门型号

NTN  NF212 KOYO  7219AC SNR  7008AC SKF  NUP305E NSK  7308BWDT NTN  24026CK30 SKF  NU2209E LYC  6212 E/P6 SKF  NU415MA TIMKEN  AOH3980 NTN  NJ1056 RHP  7204B/DF TIMKEN  26882/26821 BARDEN  7202C/DT TIMKEN  HM617049/HM617010

版权所有©2009-2015 轴承狗zcgou.com ICP备案:津ICP备14004550号-13