SKFSI60ES-2RS轴承详细参数

发布时间:2026-05-30
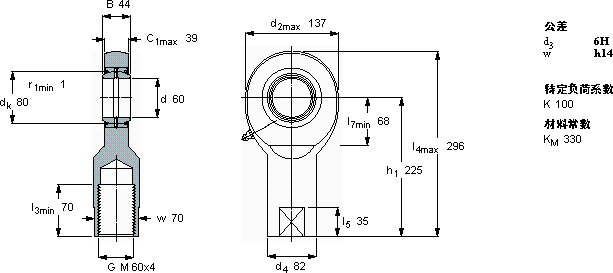
需要维护的杆端, 钢对钢,阴螺纹, 两面密封件
主要数据尺寸 角度倾的 基本负荷额定值 质量 型号
动态 静态 杆端带右或左旋螺纹
d d2 B d3 C1 h1± C C0
6H
mm 度数 kN kg -
6013744M 60x43922562454007,10SI 60 ES-2RS

SKFSI60ES-2RS需维护的杆端关节轴承供应商

八零动力专业销售SI60ES-2RS需维护的杆端关节轴承,库存SKFSI60ES-2RS大量现货,与SKF合作,咨询热线:022-58519723业务咨询
SKFSI60ES-2RS它在农业机械中的应用,展现了它的耐用性 性能优越的轴承,极大地提高了设备的工作效率和稳定性承载重托它的可靠性,赢得了无数用户的信赖 以精湛工艺铸就这款轴承的精度极高,能够满足对精度要求苛刻的设备,八零动力SKF需维护的杆端关节轴承品种全,价格优,质量有保证!

用户关注最多的SKF轴承型号

SKF231/750CAK/W33+AOH31/750 SKF232/600CA/W33 SKF30212 SKF6216-2Z* SKFBVNB328605/HA1 SKFCR12545 SKFCR200x238.1x19.1HS8R SKFCR25x38x7CRW1V SKFGEZM012ES SKFN39/500ECMB/W33 SKFNK40/30 SKFNK7/10TN SKFPCM160165100E SKFSAF22617 SKFW628/4-2ZR

SI60ES-2RS需维护的杆端关节轴承近似的SKF轴承型号

SKFSAL60ES-2RS SKFSIR60ES SKFSIL60ES-2RS SKFSALA60ES-2RS SKFSAA60ES-2RS SKFSC60ES SKFSCF60ES SKFSILA60ES-2RS SKFSA60ES-2RS SKFSIQG160ES SKFSI50TXE-2LS SKFSI60TXE-2LS

用户关注最多的轴承狗热门型号

RHP  7236C/DF INA  APLSE25-OE KOYO  2313K+H2313 SKF  23184CKJ/W33+AOH3184G* SKF  CR400650 GMN  7007AC/DT INA  RNA4834 KOYO  23222CCK/W33 LYC  23226 C/C3W33 SKF  GEP340FS NSK  7030A5TYNSULP4 LYC  6306 E-Z/Z1 FAG  SNV140-L + 1216-K-TVH-C3 + H216X212 + TSV516 TIMKEN  461/454 SKF  CR1100230

版权所有©2009-2015 轴承狗zcgou.com ICP备案:津ICP备14004550号-13