SKFSIL60TXE-2LS轴承详细参数

发布时间:2026-04-14
免维护杆端, 阴螺纹, 钢/PTFE织物 , 两面密封件
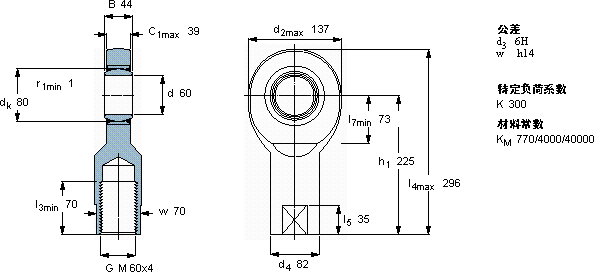
主要数据尺寸 角度倾的 基本负荷额定值 质量 型号
动态 静态 轴承座完全与密封件
d d2 B d3 C1 h1± C C0
6H
mm 度数 kN kg -
6013744M 60x43922566954007,10SIL 60 TXE-2LS

SKFSIL60TXE-2LS免维护的杆端关节轴承供应商

八零动力专业销售SIL60TXE-2LS免维护的杆端关节轴承,库存SKFSIL60TXE-2LS大量现货,与SKF合作,咨询热线:022-58519723业务咨询
SKFSIL60TXE-2LS不得不说,这款轴承的品质过硬,在行业内堪称典范,它在机床设备中的应用,确保了加工精度 它的设计巧妙,在保证性能的同时,还兼顾了安装的便捷性它虽小,却是工业革命的基石 转动的艺术以精湛工艺,八零动力SKF免维护的杆端关节轴承品种全,价格优,质量有保证!

用户关注最多的SKF轴承型号

SKF2218K SKF24068CCK30/W33+AOH24068* SKF351175C SKF4208ATN9 SKF6010NR* SKF6414 SKFC3026K+AHX3026* SKFCR17271 SKFCR19844 SKFCR404103 SKFCR75x120x13CRSA1R SKFCR76255 SKFGE25ES-2RS SKFNNUP4880/HB1W33 SKFS7016ACD/HCP4A

SIL60TXE-2LS免维护的杆端关节轴承近似的SKF轴承型号

SKFSIL60TXE-2LS SKFSI60TXE-2LS SKFSAA60TXE-2LS SKFSALA60TXE-2LS SKFSAL60TXE-2LS SKFSA60TXE-2LS SKFSIA60TXE-2LS SKFSILA60TXE-2LS SKFSIL60ES-2RS SKFSIL6C

用户关注最多的轴承狗热门型号

NTN  NK37/20 ZKL  32219 INA  RWS1808-225/x225/x26 LYC  NCF 2976 V/C3 FAG  HCB7206-C-T-P4S DKF  7034AC/DB LYC  24218 C/C3 LYC  6317 E/P5 NSK  23030CDE4 TIMKEN  LM272235/LM272210 国产  6305ADMA NSK  NJ316ET FAG  H2306X100 FLT  NU417 NACHI  7202C

版权所有©2009-2015 轴承狗zcgou.com ICP备案:津ICP备14004550号-13