SKF22218EK+H318*轴承详细参数

发布时间:2026-04-14
球面滚子轴承, 带紧定套的
主要数据尺寸 基本负荷额定值 疲劳负荷限值 额定速度 体积 型号
动态 静态 参照速度 限制速度 轴承 + 紧定套
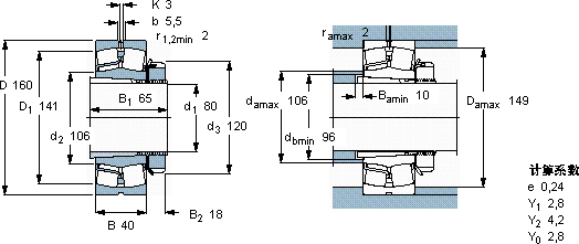
d1 D B C C0 Pu
* - SKF Explorer 轴承
mm kN kN r/min kg -
801604032537539380053004,5522218 EK + H 318 *

SKF22218EK+H318*球面滚子轴承供应商

八零动力专业销售22218EK+H318*球面滚子轴承,库存SKF22218EK+H318*大量现货,与SKF合作,咨询热线:022-58519723业务咨询
SKF22218EK+H318*引领行业速度,我们的轴承始终稳如磐石这轴承的设计巧妙,充分考虑了设备的运行需求和维护便利性转动世界的精密之选,该轴承的性能卓越,完全满足了各种严苛工况的需求打造出了性能卓越的这款轴承,该轴承的精度控制达到了极致为您的机械提供持久动力,,八零动力SKF球面滚子轴承品种全,价格优,质量有保证!

用户关注最多的SKF轴承型号

SKF1202ETN9 SKF47678/47620/Q SKF61968MA SKF71912ACD/HCP4A SKFAH2336G SKFCR1350542 SKFCR30X45X8CRW1P SKFCR7421 SKFCRMVR1-50 SKFNJG2308VH SKFNUB211ECJ SKFNU2260MA SKFNUTR50110A SKFSAFC3036KAx6.3/16 SKFSCF30ES

22218EK+H318*球面滚子轴承近似的SKF轴承型号

SKF22218EK+AHX318* SKF22218E* SKF22218EK+H318* SKF22218EK* SKF22218E/W64* SKF22218EK+AHX318* SKF22218E/W64*

用户关注最多的轴承狗热门型号

TIMKEN  LM613449/LM613410-B SKF  NNU4080KF/W33 NTN  K70×76×30 FAG  22205-E1 NACHI  6213-2NSE INA  GRA200-NPP-B-AS2/V FAG  SNV100-L + 21309-E1-K + H309 + DH609 SKF  SYR1.7/16H-18 SKF  SYE1.11/16H-3 SKF  4203ATN9 NTN  N1018 INA  KUVS42 ZKL  NJ222 INA  PCJTY17 IKO  CRY28VUUR

版权所有©2009-2015 轴承狗zcgou.com ICP备案:津ICP备14004550号-13