SKFSIR60ES轴承详细参数

发布时间:2026-04-14
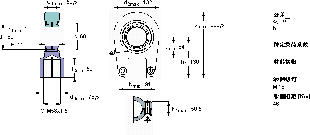
需要维护的杆端, 钢对钢,阴螺纹,用于液压滚筒
主要数据尺寸 角度倾的 基本负荷额定值 质量 型号
动态 静态 杆端带右旋螺纹
d d2 B d3 C1 h1± C C0
6H
mm 度数 kN kg -
6013244M58x1,550,513062453256,20SIR 60 ES

SKFSIR60ES需维护的杆端关节轴承供应商

八零动力专业销售SIR60ES需维护的杆端关节轴承,库存SKFSIR60ES大量现货,与SKF合作,咨询热线:022-58519723业务咨询
SKFSIR60ES优秀的设计理念和精湛的制造工艺,成就了这款杰出的轴承高精度的制造工艺,让这款轴承的性能更加出色它的滚动体分布均匀,运转平稳无振动 它的滚动体与沟槽的配合,堪称完美 它的故障率极低,确保了设备的稳定运行 这款轴承的精度极高,能够满足对精度要求苛刻的设备,八零动力SKF需维护的杆端关节轴承品种全,价格优,质量有保证!

用户关注最多的SKF轴承型号

SKF23256CCK/W33+OH2356H* SKF2x7305BECBM* SKF32064 SKF3309A-2Z/MT33* SKF4315ATN9 SKF71828ACD/HCP4 SKF7201B/DB SKF7217C/DT SKFBT4-8043G/HA1 SKFC71914FB/P7 SKFCR57X80X12CRSH11R SKFGEH110TXG3A-2LS SKFNNU4176K30M SKFPCMS2005002.5M SKFSY1.PF/AH

SIR60ES需维护的杆端关节轴承近似的SKF轴承型号

SKFSC60ES SKFSALA60ES-2RS SKFSI60ES-2RS SKFSIQG160ES SKFSAA60ES-2RS SKFSCF60ES SKFSIR60ES SKFSA60ES-2RS SKFSAL60ES-2RS SKFSIL60ES-2RS SKFSIR50ES SKFSIR70ES

用户关注最多的轴承狗热门型号

FAG  H33/800-HG MRC  7303AC/DT SKF  W6304-2Z NTN  4T-30204 SKF  7210B/DT SKF  71909ACD/P4A 国产  1311 SKF  1726209-2RS1 SKF  22252CACK/W33 NTN  NUP322 TIMKEN  56425/56650D/X2S-56425 NSK  23252CAE4 NSK  HR302/32 SKF  7203B IKO  CF30-2VBUU

版权所有©2009-2015 轴承狗zcgou.com ICP备案:津ICP备14004550号-13