SKFSAA60ES-2RS轴承详细参数

发布时间:2026-04-27
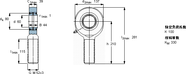
需要维护的杆端, 钢对钢,阳螺纹, 两面密封件
主要数据尺寸 角度倾的 基本负荷额定值 质量 型号
动态 静态 杆端带右或左旋螺纹
d d2 B d3 C1 h ± C C0
6g
mm 度数 kN kg -
6013744M 52x33921062453605,70SAA 60 ES-2RS

SKFSAA60ES-2RS需维护的杆端关节轴承供应商

八零动力专业销售SAA60ES-2RS需维护的杆端关节轴承,库存SKFSAA60ES-2RS大量现货,与SKF合作,咨询热线:022-58519723业务咨询
SKFSAA60ES-2RS质量上乘的轴承,是提升机械设备性能的关键因素该轴承的性能出色,有效提升了机械设备的整体性能高品质的轴承,在复杂工况下也能展现出卓越的性能轴承的选材精良,确保了其具有良好的耐磨性和抗腐蚀性承载未来性能优越的轴承,极大地提升了设备的工作性能和效率,八零动力SKF需维护的杆端关节轴承品种全,价格优,质量有保证!

用户关注最多的SKF轴承型号

SKF332300A SKF6076M SKF7013ACE/P4A SKFCR12545 SKFCR404803 SKFCR55X75X10HMS5RG SKFCRM20A SKFGE140TXG3A-2LS SKFNK26/16 SKFNCF29/900V SKFNJ206ECJ* SKFNJ2311ECML* SKFNUP319ECM* SKFSAA50ES-2RS SKFSYNT100FTS

SAA60ES-2RS需维护的杆端关节轴承近似的SKF轴承型号

SKFSILA60ES-2RS SKFSCF60ES SKFSIJ60ES SKFSIQG160ES SKFSAA60ES-2RS SKFSA60ES-2RS SKFSIL60ES-2RS SKFSC60ES SKFSAL60ES-2RS SKFSIA60ES-2RS SKFSAA50TXE-2LS SKFSAA60TXE-2LS

用户关注最多的轴承狗热门型号

LYC  787/506.43G2 KOYO  HM262749D/10/10D SKF  BT4-8109E1/C800* SKF  32248J2/HA1 TIMKEN  685/672D/X3S-685 NTN  LH-22214BK+AH314 KOYO  7005C LYC  381088 LYC  32311 BR INA  RASEY30-JIS SNR  3214 TORRINGTON FAFNIR  7018C FAG  SNV120-L + 2213-K-TVH-C3 + H313 + DHV513 IKO  RNAST35R IKO  RNA4909U

版权所有©2009-2015 轴承狗zcgou.com ICP备案:津ICP备14004550号-13