SKFSC60ES轴承详细参数

发布时间:2026-04-14
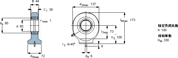
需要维护的杆端, 钢对钢,焊接柄
主要数据尺寸 角度倾的 基本负荷额定值 质量 型号
动态 静态
d d2 B C1 h2± C C0
最大
mm 度数 kN kg -
60137443910062453354,20SC 60 ES

SKFSC60ES需维护的杆端关节轴承供应商

八零动力专业销售SC60ES需维护的杆端关节轴承,库存SKFSC60ES大量现货,与SKF合作,咨询热线:022-58519723业务咨询
SKFSC60ES质量无可挑剔的轴承,在行业内树立了良好的口碑和形象它的耐腐蚀性,让它经久不衰 它虽小,却是工业革命的基石 设计合理、性能优良的轴承,是机械设备的理想之选它的轴向跳动控制,确保了机械的平稳运行 这轴承的设计精妙,充分考虑了各种实际应用需求,八零动力SKF需维护的杆端关节轴承品种全,价格优,质量有保证!

用户关注最多的SKF轴承型号

SKF24780/24720/Q SKF31322XJ2 SKF32211J2/Q SKF61914-RZ SKF7234C/DF SKFBT4B331626BG/HA1 SKFCR13556 SKFCR534955 SKFCR65021 SKFH2332L SKFK60x68x30ZW SKFNK21/20 SKFNU2238ECMA* SKFNU315ECML* SKFZ006F

SC60ES需维护的杆端关节轴承近似的SKF轴承型号

SKFSIQG160ES SKFSILA60ES-2RS SKFSAL60ES-2RS SKFSA60ES-2RS SKFSIL60ES-2RS SKFSCF60ES SKFSI60ES-2RS SKFSALA60ES-2RS SKFSIJ60ES SKFSAA60ES-2RS SKFSC50ES SKFSC7006DB/P7

用户关注最多的轴承狗热门型号

SKF  K45x52x18 TIMKEN  GRA201RRB LYC  *NF 214/C9YB2 LYC  23172 LYC  350664 /P5 SKF  NJ209ECM* KINGON  K7×17×7 LYC  23128 N NSK  6904N SKF  SY1.PF/AH TIMKEN  170RN93 NTN  6316 FAG  AH3236-H TIMKEN  479/472D/X1S-479 SKF  CR15160

版权所有©2009-2015 轴承狗zcgou.com ICP备案:津ICP备14004550号-13