SKFSIA45ES-2RS轴承详细参数

发布时间:2026-04-29
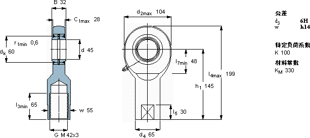
需要维护的杆端, 钢对钢,阴螺纹, 两面密封件
主要数据尺寸 角度倾的 基本负荷额定值 质量 型号
动态 静态 杆端带右或左旋螺纹
d d2 B d3 C1 h1± C C0
6H
mm 度数 kN kg -
4510432M 42x32814571272243,20SIA 45 ES-2RS

SKFSIA45ES-2RS需维护的杆端关节轴承供应商

八零动力专业销售SIA45ES-2RS需维护的杆端关节轴承,库存SKFSIA45ES-2RS大量现货,与SKF合作,咨询热线:022-58519723业务咨询
SKFSIA45ES-2RS它的品质卓越,为机械设备的高效运行提供了坚实后盾它的抗剪切性能,确保了它的结构稳定性 它的抗压强度,让它承载能力惊人 轴承的耐用性极佳,为设备的长期稳定运行提供了保障是您机械世界里的不败功臣,它的精密装配,确保了整体性能的卓越 ,八零动力SKF需维护的杆端关节轴承品种全,价格优,质量有保证!

用户关注最多的SKF轴承型号

SKF2204ETN9 SKF293/1600EF SKF2x7214BECBM* SKF61802-2RS SKF7244C/DB SKFBEAM012055-2RS SKFC2320K+H2320* SKFCR30X52X10HMSA10V SKFCR594369 SKFGE240ES-2RS SKFHE215 SKFNCF1868V SKFNJ415 SKFPCZ5648B SKFTU1.3/4WF

SIA45ES-2RS需维护的杆端关节轴承近似的SKF轴承型号

SKFSC45ES SKFSIA45ES-2RS SKFSAL45ES-2RS SKFSAA45ES-2RS SKFSILA45ES-2RS SKFSI45ES-2RS SKFSCF45ES SKFSALA45ES-2RS SKFSA45ES-2RS SKFSIL45ES-2RS SKFSIA40TXE-2LS SKFSIA45TXE-2LS

用户关注最多的轴承狗热门型号

SKF  31322 FAG  B71920-E-T-P4S KOYO  22317CC/W33 LYC  1220K 国产  NAVP4912X3 国产  23140C/W33 FLT  N219 TIMKEN  941/932CD+X2S-941 TIMKEN  42368/42584 NSK  53218U RHP  7020C INA  K19X23X17 SKF  RNA4902.2RS IKO  CFS2 IKO  LSAGFT10

版权所有©2009-2015 轴承狗zcgou.com ICP备案:津ICP备14004550号-13