SKFSAL45ES-2RS轴承详细参数

发布时间:2026-04-29
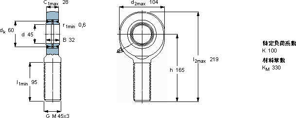
需要维护的杆端, 钢对钢,阳螺纹, 两面密封件
主要数据尺寸 角度倾的 基本负荷额定值 质量 型号
动态 静态 杆端带右或左旋螺纹
d d2 B d3 C1 h ± C C0
6g
mm 度数 kN kg -
4510432M 45x32816571272002,55SAL 45 ES-2RS

SKFSAL45ES-2RS需维护的杆端关节轴承供应商

八零动力专业销售SAL45ES-2RS需维护的杆端关节轴承,库存SKFSAL45ES-2RS大量现货,与SKF合作,咨询热线:022-58519723业务咨询
SKFSAL45ES-2RS它的滚动体与沟槽的配合,堪称完美 为您的机械提供持久动力,这款轴承的运转十分平稳,几乎感受不到任何震动是您成功路上的得力助手,承载重托轴承的耐用性强,减少了设备的停机维护时间,八零动力SKF需维护的杆端关节轴承品种全,价格优,质量有保证!

用户关注最多的SKF轴承型号

SKF2220KM SKF608-2RS SKF635-2RZ* SKF7005CD/P4A SKF7208CD/HCP4A SKF71940ACD/P4A SKFAOH241/500 SKFC3036K+H3036* SKFC30/600KM* SKFCR50620 SKFCR57521 SKFLM67048/010/Q SKFNCF2915CV SKFSNW21x3.11/16 SKFSNW26x4.3/8

SAL45ES-2RS需维护的杆端关节轴承近似的SKF轴承型号

SKFSCF45ES SKFSI45ES-2RS SKFSIA45ES-2RS SKFSILA45ES-2RS SKFSAL45ES-2RS SKFSIL45ES-2RS SKFSA45ES-2RS SKFSALA45ES-2RS SKFSAA45ES-2RS SKFSC45ES SKFSAL40TXE-2LS SKFSAL45TXE-2LS

用户关注最多的轴承狗热门型号

NACHI  NU236 国产  32317 NSK  7208ADF STEYR  NU2226E SKF  CR95x120x12CRWA1V SKF  CR60X110X8HMSA10RG NACHI  NUP424 SKF  SY1.3/16TF/VA201 SKF  GEZ100TXE-2LS SKF  52409 RIV  N2204 NTN  23226BK SKF  LM29749/711/QCL7CVA607 LYC  6208 E-2RZ/P5 IKO  NURT35-1

版权所有©2009-2015 轴承狗zcgou.com ICP备案:津ICP备14004550号-13