SKFSI45ES-2RS轴承详细参数

发布时间:2026-04-29
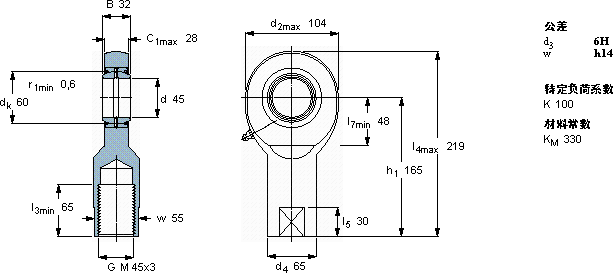
需要维护的杆端, 钢对钢,阴螺纹, 两面密封件
主要数据尺寸 角度倾的 基本负荷额定值 质量 型号
动态 静态 杆端带右或左旋螺纹
d d2 B d3 C1 h1± C C0
6H
mm 度数 kN kg -
4510432M 45x32816571272243,20SI 45 ES-2RS

SKFSI45ES-2RS需维护的杆端关节轴承供应商

八零动力专业销售SI45ES-2RS需维护的杆端关节轴承,库存SKFSI45ES-2RS大量现货,与SKF合作,咨询热线:022-58519723业务咨询
SKFSI45ES-2RS它在电子设备中的应用,展现了它的高精密性 它的可回收性,减少了废弃物处理成本 优秀的设计理念和精湛的制造工艺,成就了这款优秀的轴承精准运转先进的制造技术和严格的质量控制,造就了这款优质轴承它的轴向游隙控制,精准到令人惊叹 ,八零动力SKF需维护的杆端关节轴承品种全,价格优,质量有保证!

用户关注最多的SKF轴承型号

SKF231/500CAC/W33 SKF234709B SKF24072CCK30/W33+AOH24072* SKF2x7319BECBP* SKF6213/W64* SKF811/600M SKFBK3012 SKFCR13514 SKFCR15X26X7HMS5RG SKFCR530733 SKFS7009DB/P7 SKFS71920CD/P4A SKFSDAFS22522 SKFSI50TXE-2LS SKFWS89430

SI45ES-2RS需维护的杆端关节轴承近似的SKF轴承型号

SKFSC45ES SKFSA45ES-2RS SKFSIL45ES-2RS SKFSCF45ES SKFSIA45ES-2RS SKFSI45ES-2RS SKFSAA45ES-2RS SKFSAL45ES-2RS SKFSALA45ES-2RS SKFSILA45ES-2RS SKFSI40TXE-2LS SKFSI45TXE-2LS

用户关注最多的轴承狗热门型号

SKF  6004N SKF  607/8-2Z STEYR  7226B/DB NSK  7216ADB NTN  NUP410 SKF  7218CD/P4A TIMKEN  5066/5185 KOYO  NJ2234+HJ2234 MRC  7304AC/DF INA  KR32-PP TIMKEN  23134YM GMN  71922C/DT SKF  627-2RSH NTN  N2213 LYC  51368

版权所有©2009-2015 轴承狗zcgou.com ICP备案:津ICP备14004550号-13